AL-KO 40 B Green Power Ersatzteile
40 B Green Power Benzinrasenmäher
Artikel Nummer: 121676 121676

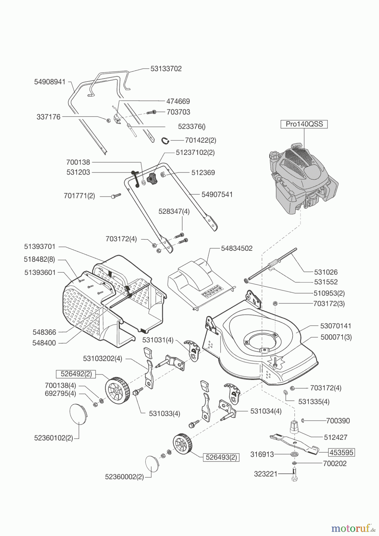
Hier finden Sie die Ersatzteilzeichnung für AL-KO Gartentechnik Benzinrasenmäher 40 B Green Power ab 02/2014 Seite 1. Wählen Sie das benötigte Ersatzteil aus der Ersatzteilliste Ihres AL-KO Gerätes aus und bestellen Sie einfach online. Viele AL-KO Ersatzteile halten wir ständig in unserem Lager für Sie bereit.
Häufig benötigte AL-KO 40 B Green Power Ersatzteile

Artikelnummer: AL510953
Suche nach: AL510953
Hersteller: Alko
AL-KO Ersatzteil 40 B Green Power
Suche nach: AL510953
Hersteller: Alko
AL-KO Ersatzteil 40 B Green Power
1.98 €
für EU incl. MwSt., zzgl. Versand


Qualitätsmanagement
Informieren Sie uns, wenn Sie einen Fehler gefunden haben.


















