WOLF-Garten Expert Expert 76130 HDT 31AY77SZ650 (2016) Armaturenbrett, Schalthebel Ersatzteile
Armaturenbrett, Schalthebel 31AY77SZ650 (2016)

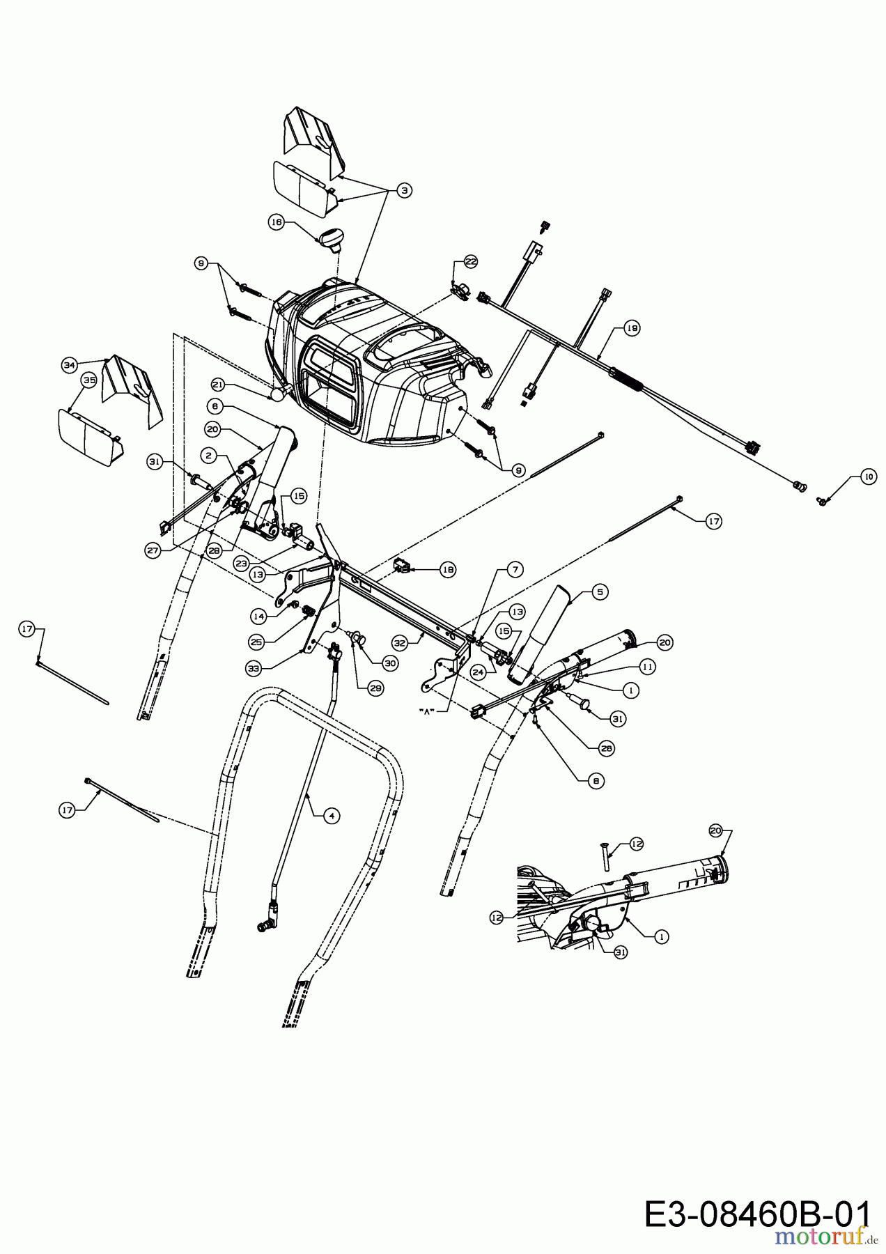
Hier finden Sie die Ersatzteilzeichnung für WOLF-Garten Expert Schneefräsen Expert 76130 HDT 31AY77SZ650 (2016) Armaturenbrett, Schalthebel. Wählen Sie das benötigte Ersatzteil aus der Ersatzteilliste Ihres WOLF-Garten Expert Gerätes aus und bestellen Sie einfach online. Viele WOLF-Garten Expert Ersatzteile halten wir ständig in unserem Lager für Sie bereit.


Qualitätsmanagement
Informieren Sie uns, wenn Sie einen Fehler gefunden haben.







