WOLF-Garten Expert GLTT 180.106 H 13BTA1VR650 (2017) Choke- und Gaszug Ersatzteile
Choke- und Gaszug 13BTA1VR650 (2017)

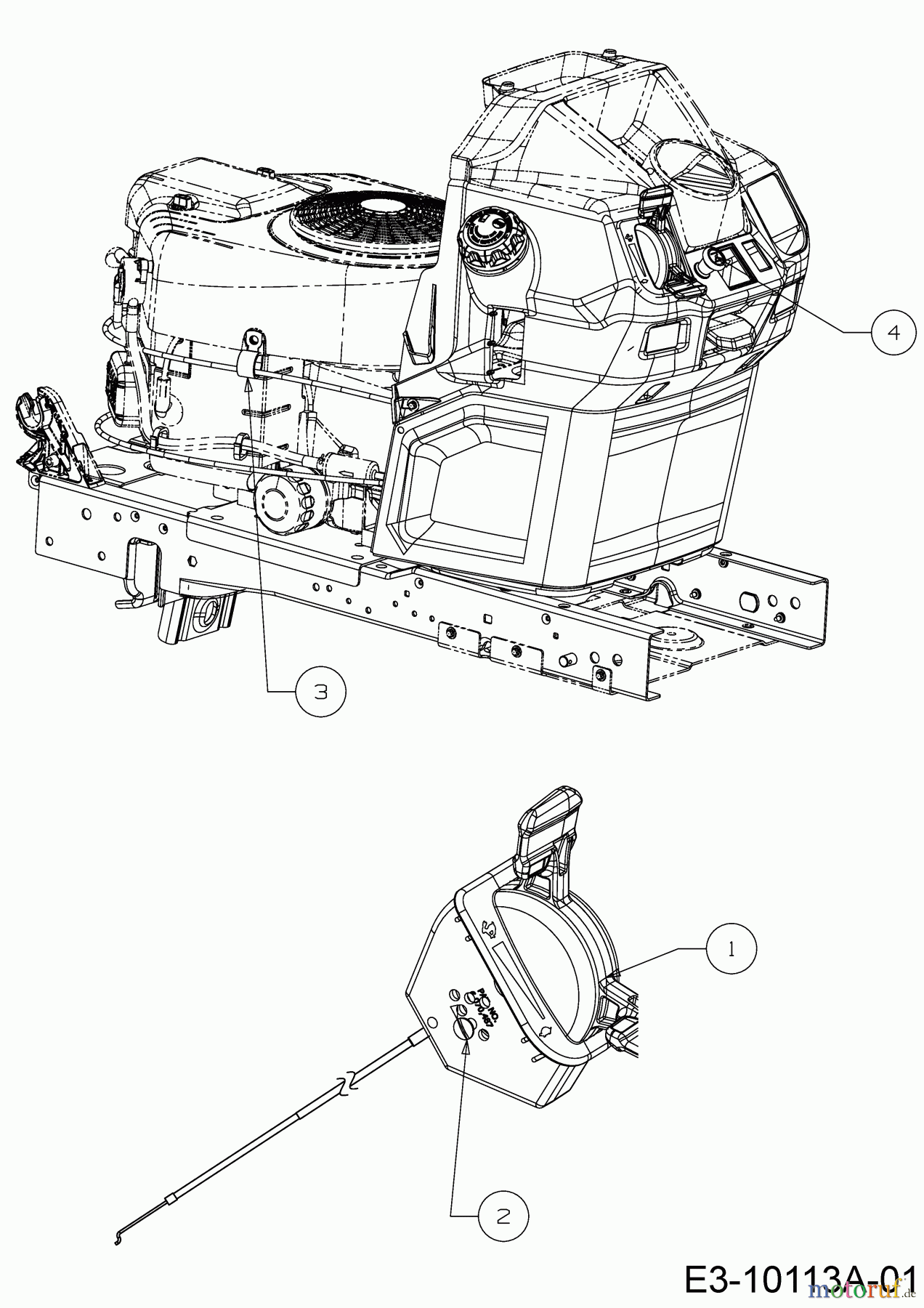
Hier finden Sie die Ersatzteilzeichnung für WOLF-Garten Expert Rasentraktoren GLTT 180.106 H 13BTA1VR650 (2017) Choke- und Gaszug. Wählen Sie das benötigte Ersatzteil aus der Ersatzteilliste Ihres WOLF-Garten Expert Gerätes aus und bestellen Sie einfach online. Viele WOLF-Garten Expert Ersatzteile halten wir ständig in unserem Lager für Sie bereit.
| BildNr | Artikel Nummer | Bezeichnung | |
| 1 | 646-00026 | GASZUG VOLLST:22.5" X 0.75 | |
| 2 | 710-06563 | HÜLSENSCHRAUBE:#8-32:0.20:1.13 | |
| 3 | 726-0475 | SCHLAUCHKLEMME:Ò 1" | |
| 4 | 746-05365 | CHOKE-FERNBEDIENUNG VOLLST. | |


Qualitätsmanagement
Informieren Sie uns, wenn Sie einen Fehler gefunden haben.

