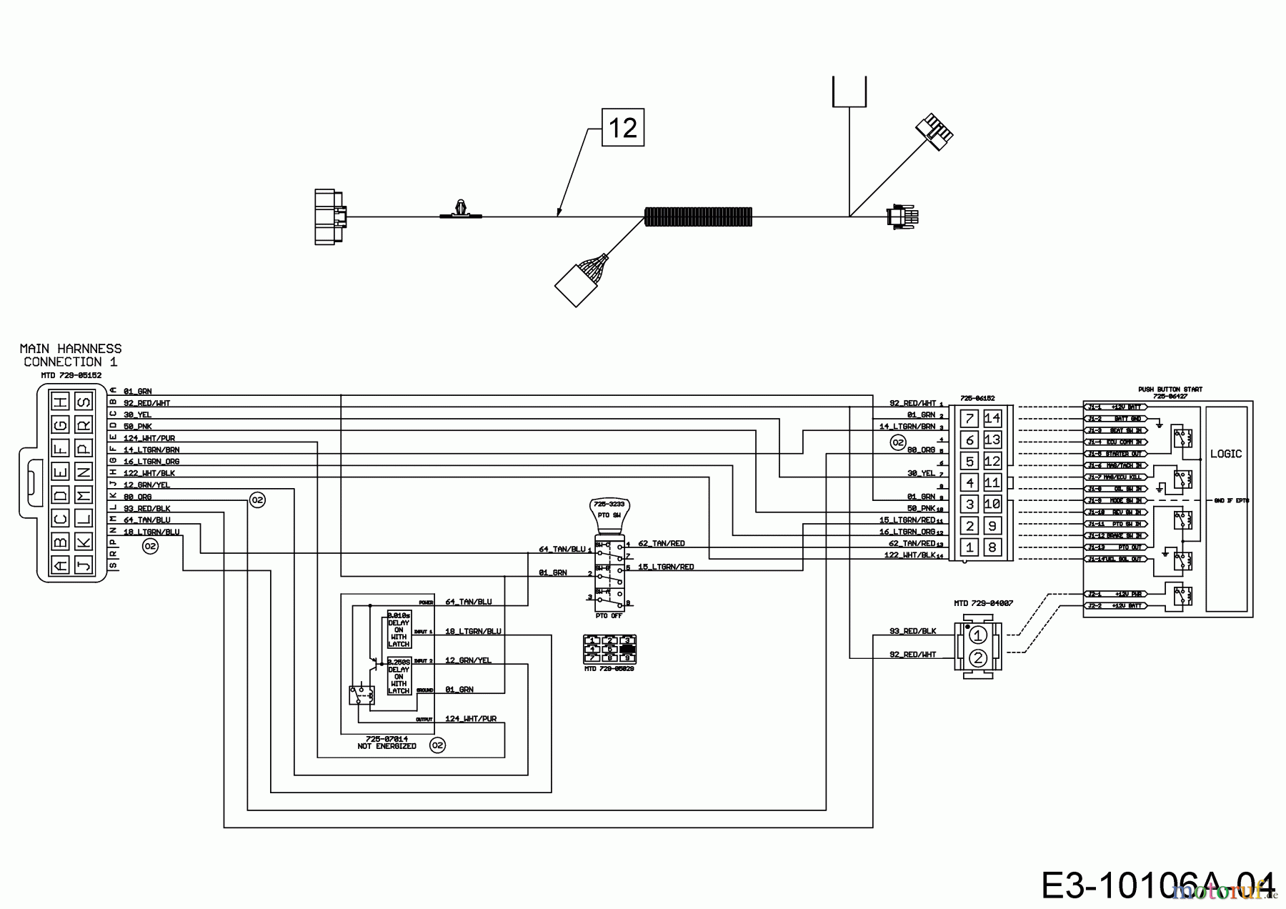
WOLF-Garten Expert Alpha 106.185 H 13ALA1VR650 (2017) Schaltplan Armaturenbrett Ersatzteile
Schaltplan Armaturenbrett 13ALA1VR650 (2017)

Hier finden Sie die Ersatzteilzeichnung für WOLF-Garten Expert Rasentraktoren Alpha 106.185 H 13ALA1VR650 (2017) Schaltplan Armaturenbrett. Wählen Sie das benötigte Ersatzteil aus der Ersatzteilliste Ihres WOLF-Garten Expert Gerätes aus und bestellen Sie einfach online. Viele WOLF-Garten Expert Ersatzteile halten wir ständig in unserem Lager für Sie bereit.
| BildNr | Artikel Nummer | Bezeichnung | |
| 12 | 725-06994 | KABELBAUM:NX15RD:EPTO:PBS:DLR: | |



