WOLF-Garten Expert Alpha 106.185 H 13ALA1VR650 (2017) Hauptschaltplan Ersatzteile
Hauptschaltplan 13ALA1VR650 (2017)

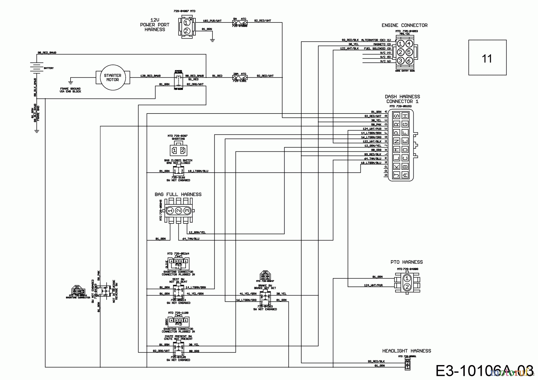
Hier finden Sie die Ersatzteilzeichnung für WOLF-Garten Expert Rasentraktoren Alpha 106.185 H 13ALA1VR650 (2017) Hauptschaltplan. Wählen Sie das benötigte Ersatzteil aus der Ersatzteilliste Ihres WOLF-Garten Expert Gerätes aus und bestellen Sie einfach online. Viele WOLF-Garten Expert Ersatzteile halten wir ständig in unserem Lager für Sie bereit.
| BildNr | Artikel Nummer | Bezeichnung | |
| 11 | 725-06983B | HAUPTKABELBAUM:NX15RD:EPTO:PBS | |



