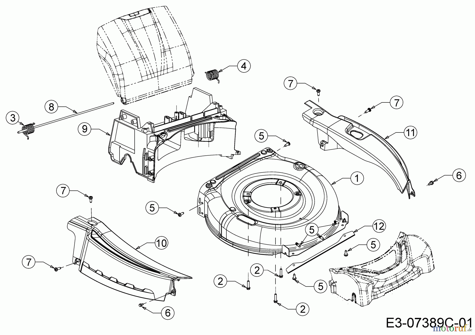
WOLF-Garten Expert Expert 53 BAV 12BVQ56K650 (2016) Leitstück hinten, Mähwerksgehäuse, Stange Heckklappe, Verkleidungen Ersatzteile
Leitstück hinten, Mähwerksgehäuse, Stange Heckklappe, Verkleidungen 12BVQ56K650 (2016)

Hier finden Sie die Ersatzteilzeichnung für WOLF-Garten Expert Motormäher mit Antrieb Expert 53 BAV 12BVQ56K650 (2016) Leitstück hinten, Mähwerksgehäuse, Stange Heckklappe, Verkleidungen. Wählen Sie das benötigte Ersatzteil aus der Ersatzteilliste Ihres WOLF-Garten Expert Gerätes aus und bestellen Sie einfach online. Viele WOLF-Garten Expert Ersatzteile halten wir ständig in unserem Lager für Sie bereit.





