WOLF-Garten Expert Expert 420 A 12B-LUSC650 (2016) Getriebe, Keilriemen Ersatzteile
Getriebe, Keilriemen 12B-LUSC650 (2016)

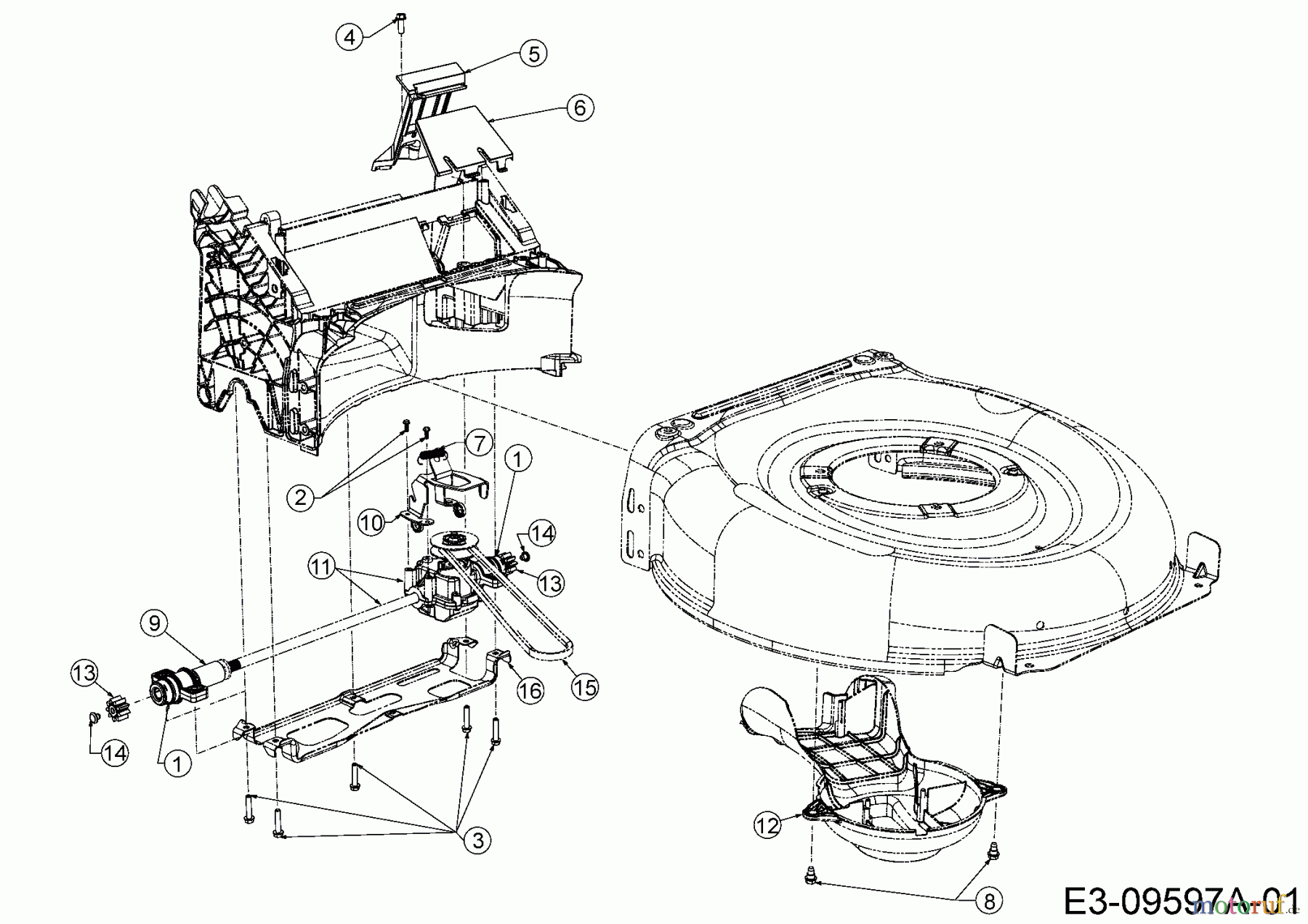
Hier finden Sie die Ersatzteilzeichnung für WOLF-Garten Expert Motormäher mit Antrieb Expert 420 A 12B-LUSC650 (2016) Getriebe, Keilriemen. Wählen Sie das benötigte Ersatzteil aus der Ersatzteilliste Ihres WOLF-Garten Expert Gerätes aus und bestellen Sie einfach online. Viele WOLF-Garten Expert Ersatzteile halten wir ständig in unserem Lager für Sie bereit.


Qualitätsmanagement
Informieren Sie uns, wenn Sie einen Fehler gefunden haben.







