B Power BT 155-92 AH 2 13HM71KE648 (2015) Fahrantrieb Ersatzteile
Fahrantrieb 13HM71KE648 (2015)

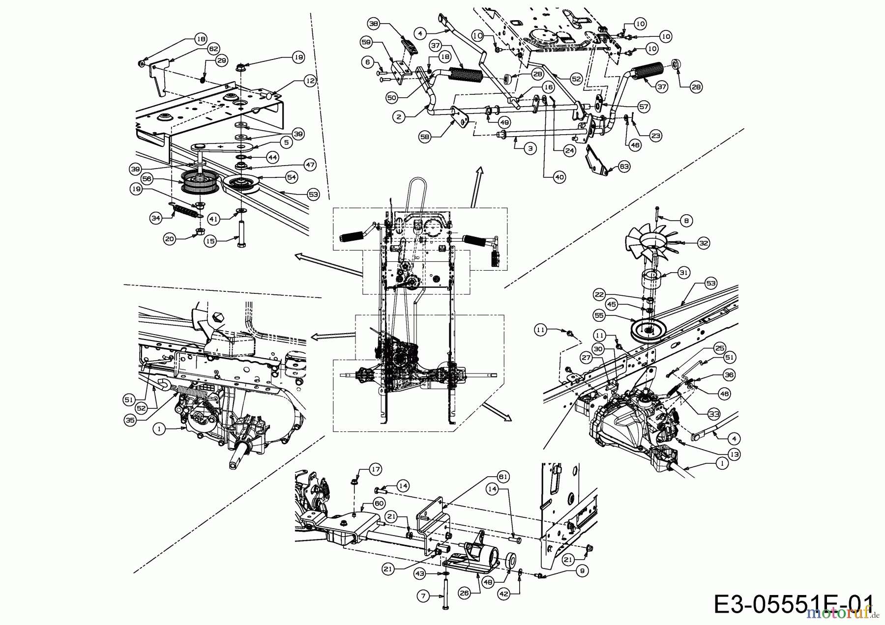
Hier finden Sie die Ersatzteilzeichnung für B Power Rasentraktoren BT 155-92 AH 2 13HM71KE648 (2015) Fahrantrieb. Wählen Sie das benötigte Ersatzteil aus der Ersatzteilliste Ihres B Power Gerätes aus und bestellen Sie einfach online. Viele B Power Ersatzteile halten wir ständig in unserem Lager für Sie bereit.


Qualitätsmanagement
Informieren Sie uns, wenn Sie einen Fehler gefunden haben.































