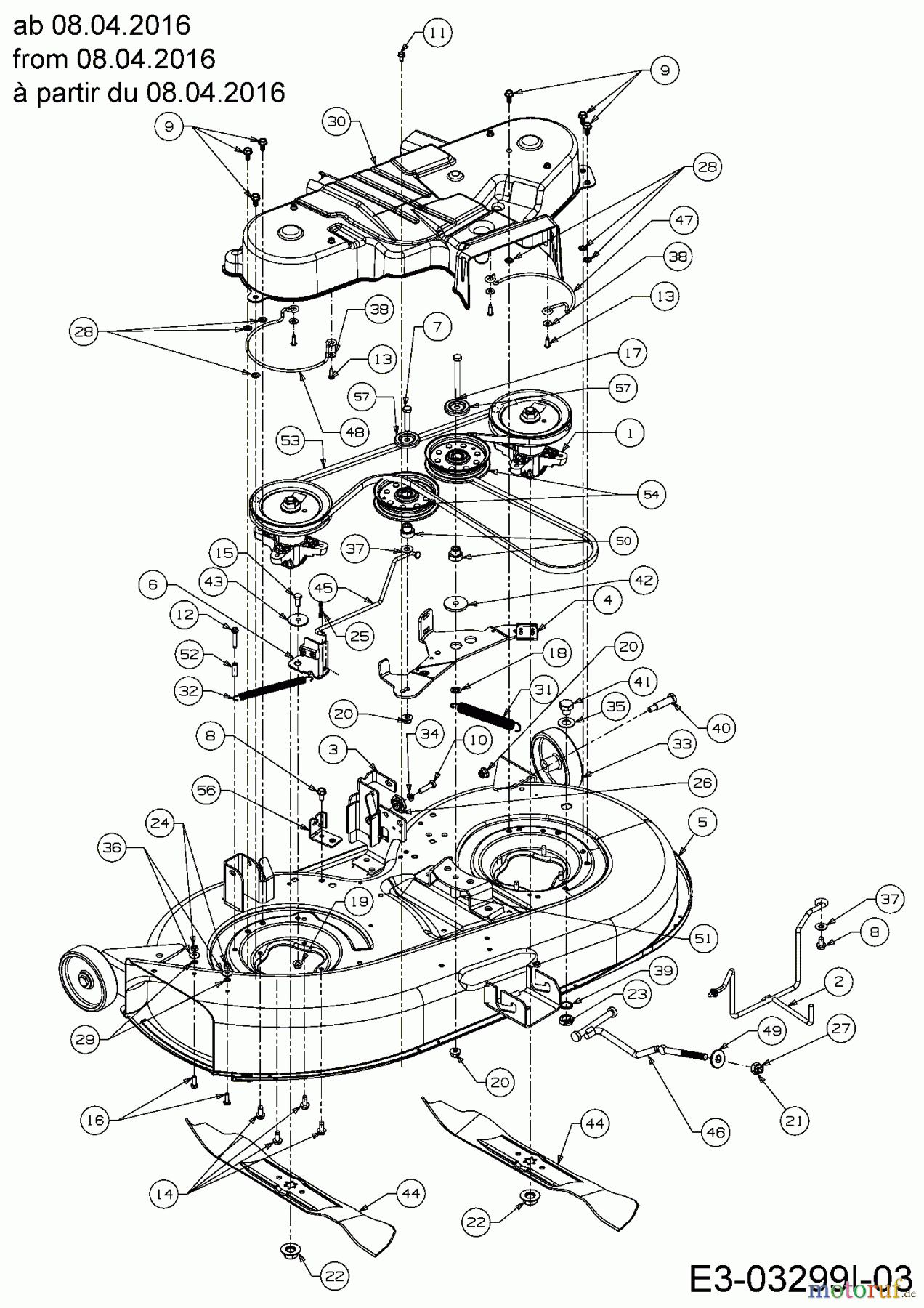
Tigara TG 22/107 HBI 13HT79KG649 (2017) Mähwerk G (42"/107cm) ab 08.04.2016 Ersatzteile
Mähwerk G (42"/107cm) ab 08.04.2016 13HT79KG649 (2017)

Hier finden Sie die Ersatzteilzeichnung für Tigara Rasentraktoren TG 22/107 HBI 13HT79KG649 (2017) Mähwerk G (42"/107cm) ab 08.04.2016. Wählen Sie das benötigte Ersatzteil aus der Ersatzteilliste Ihres Tigara Gerätes aus und bestellen Sie einfach online. Viele Tigara Ersatzteile halten wir ständig in unserem Lager für Sie bereit.










































