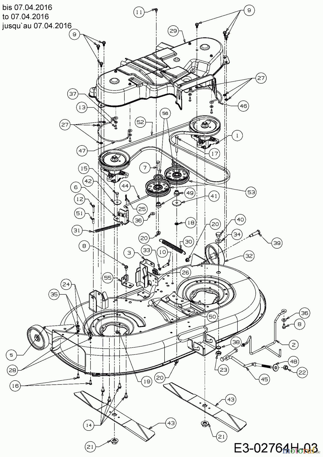
Tigara TG 22/107 H 13HT79KG649 (2016) Mähwerk G (42"/107cm) bis 07.04.2016 Ersatzteile
Mähwerk G (42"/107cm) bis 07.04.2016 13HT79KG649 (2016)

Hier finden Sie die Ersatzteilzeichnung für Tigara Rasentraktoren TG 22/107 H 13HT79KG649 (2016) Mähwerk G (42"/107cm) bis 07.04.2016. Wählen Sie das benötigte Ersatzteil aus der Ersatzteilliste Ihres Tigara Gerätes aus und bestellen Sie einfach online. Viele Tigara Ersatzteile halten wir ständig in unserem Lager für Sie bereit.









































