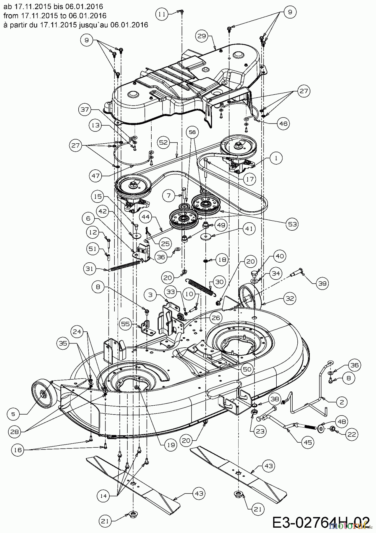
Tigara TG 19/107 H 13HJ79KG649 (2017) Mähwerk G (42"/107cm) ab 17.11.2015 bis 06.01.2016 Ersatzteile
Mähwerk G (42"/107cm) ab 17.11.2015 bis 06.01.2016 13HJ79KG649 (2017)

Hier finden Sie die Ersatzteilzeichnung für Tigara Rasentraktoren TG 19/107 H 13HJ79KG649 (2017) Mähwerk G (42"/107cm) ab 17.11.2015 bis 06.01.2016. Wählen Sie das benötigte Ersatzteil aus der Ersatzteilliste Ihres Tigara Gerätes aus und bestellen Sie einfach online. Viele Tigara Ersatzteile halten wir ständig in unserem Lager für Sie bereit.


Qualitätsmanagement
Informieren Sie uns, wenn Sie einen Fehler gefunden haben.







































