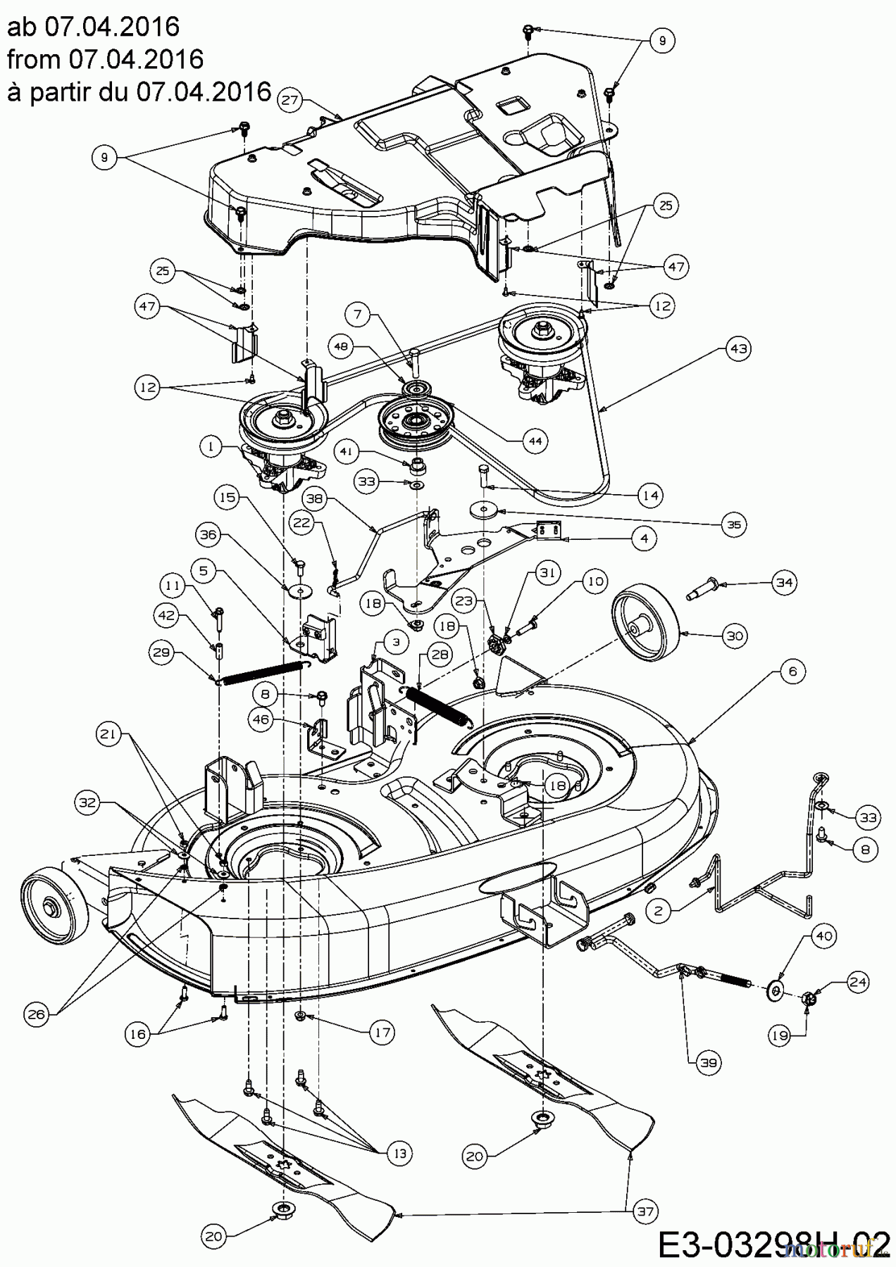
Colombia PX 96 TB 13HM76GF646 (2016) Mähwerk F (38"/96cm) ab 07.04.2016 Ersatzteile
Mähwerk F (38"/96cm) ab 07.04.2016 13HM76GF646 (2016)

Hier finden Sie die Ersatzteilzeichnung für Colombia Rasentraktoren PX 96 TB 13HM76GF646 (2016) Mähwerk F (38"/96cm) ab 07.04.2016. Wählen Sie das benötigte Ersatzteil aus der Ersatzteilliste Ihres Colombia Gerätes aus und bestellen Sie einfach online. Viele Colombia Ersatzteile halten wir ständig in unserem Lager für Sie bereit.


Qualitätsmanagement
Informieren Sie uns, wenn Sie einen Fehler gefunden haben.




































