Einstellungen Computer

MTD Zubehör Sprüher 45-0293 (190-537-000) 190-537-000 (2000) Ersatzteile

190-537-000 (2000) 45-0293 (190-537-000)

 MTD Zubehör Zubehör Garten- und Rasentraktoren Sprüher 45-0293  (190-537-000) 190-537-000  (2000) Grundgerät

Hier finden Sie die Ersatzteilzeichnung für MTD Zubehör Zubehör Garten- und Rasentraktoren Sprüher 45-0293 (190-537-000) 190-537-000 (2000) Grundgerät. Wählen Sie das benötigte Ersatzteil aus der Ersatzteilliste Ihres MTD Zubehör Gerätes aus und bestellen Sie einfach online. Viele MTD Zubehör Ersatzteile halten wir ständig in unserem Lager für Sie bereit.

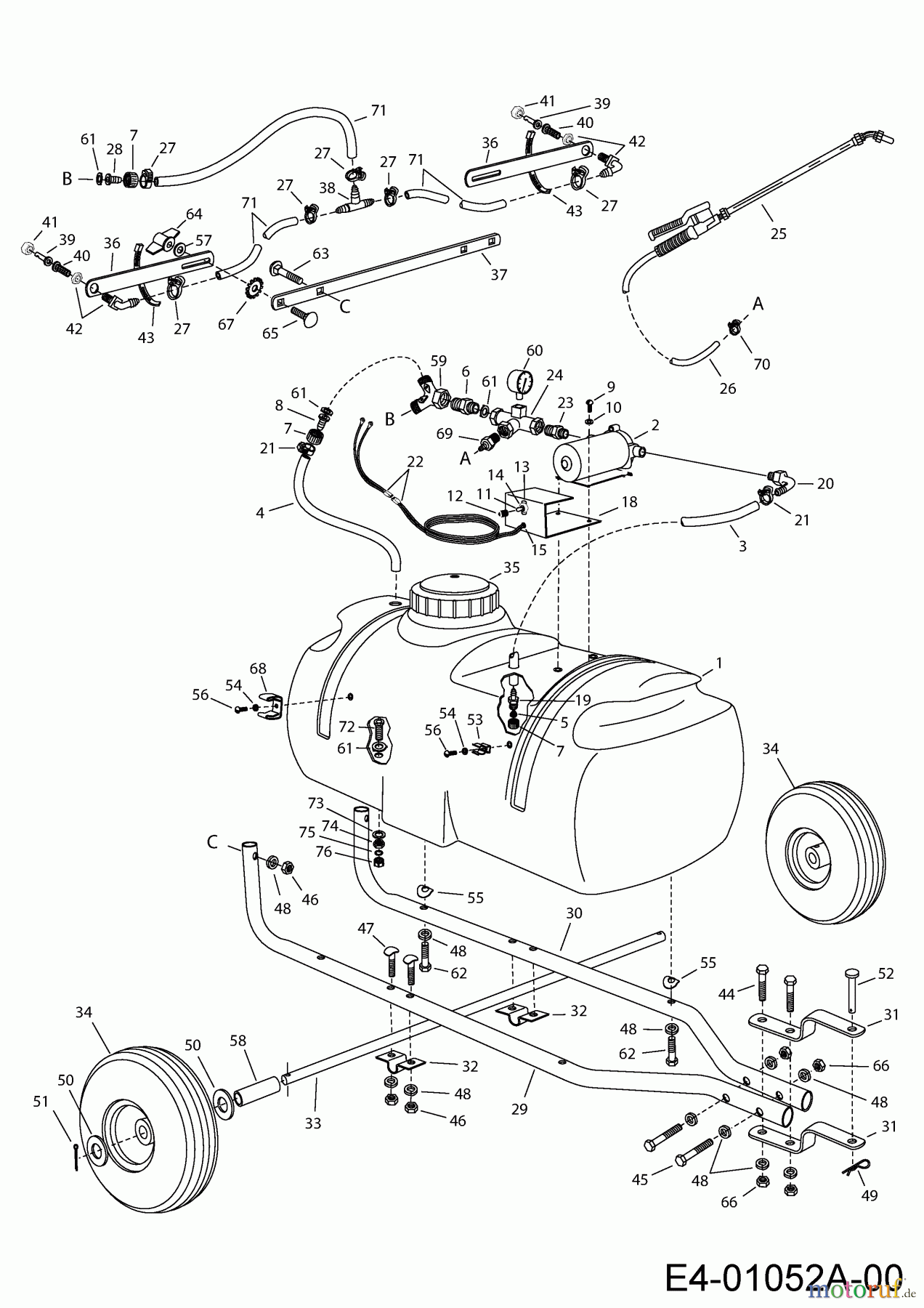
BildNrArtikel NummerBezeichnung
1 AF-46283TANK
2 AF-45015PUMPE + MOTOR
3 AF-46278SCHLAUCH 1/2"I.D.(24"LG.)
4 AF-45021SCHLAUCH
5 AF-45024SIEB
6 AF-45031SCHLAUCHVERBINDUNG
7 AF-45032MUTTER
8 AF-45033SCHLAUCHANSCHLUß
9 AF-45069SCHRAUBE
10 AF-43910UNTERLAGSSCHEIBE
11 AF-45084EIN-+AUSSCHALTER
12 AF-45082ABD. F.SCHALTER
13 AF-45080HALTEPLATTE F.EIN-AUS SCHALTER
14 AF-45048SKT.-MUTTER 15132-32
15 AF-47087
16 AF-45085KABELKLEMME
17 AF-45086KABELKLEMME
18 AF-23889ABDECKBLECH
19 AF-46276ADAPTER 3/4"GHX1/2" BARB
20 AF-46277SCHLAUCHKRÜMMER 3/8NPTX1/2"
21 AF-45025KLAMMER
22 AF-45018KABELBAUM BATTERIE
23 AF-45049SCHLAUCHANSCHLUß
24 AF-45050T-STÜCK
25 AF-47406SPRÜHPISTOLE
26 AF-47393SCHLAUCH 1/4ID (12'6"LG)
27 AF-45026KLAMMER
28 AF-45034SCHLAUCHANSCHLUß
29 AF-47624TRAGARM RECHTS
30 AF-47625TRAGARM LINKS
31 AF-23014ANHÄNGELASCHE
32 AF-23917SCHELLE
33 AF-24615ACHSE 3/4"
34 AF-44456RAD
35 AF-46700TANKDECKEL
36 AF-24122LASCHE
37 AF-24585LASCHE
38 AF-47394T-STÜCK
39 AF-45028DÜSE
40 AF-45029SIEB
41 AF-45037MUTTER
42 AF-47396SCHLAUCHKRÜMMER
43 726-0178
44 AF-43224SCHRAUBE
45 AF-46782SCHRAUBE
46 AF-43083SKT-MUTTTER 5/16-18
47 AF-44947SKT-SCHR.5/16-18X1-5/8"
48 AF-43086FEDERRING 5/16
49 AF-43343FEDERSTECKER
50 AF-43009UNTERLAGSCHEIBE
51 AF-43093FEDERSTECKER
52 AF-47623ABSTECKBOLZEN
53 AF-45180SCHLAUCHHALTERUNG
54 736-0722FEDERRING NR.10
55 AF-44695SONDERSCHEIBE
56 AF-45040SCHRAUBE
57 AF-43081UNTERLAGSCHEIBE 5/16
58 AF-45151DISTANZBUCHSE 3.70" LG.
59 AF-45017SCHLAUCHANSCHL.
60 AF-45071MANOMETER
61 AF-45072DICHTUNG
62 AF-48043SKT-SCHRAUBE 5/16-18X1-5/8"LG
63 AF-44215GEWINDEBOLZEN 5/16-18X1-3,4"
64 712-0421KUNSTSTOFF FLUEGELMUTTER 5/16"
65 AF-43682GEWINDEBOLZEN 5/16-18X1-1/4"
66 MTD Zubehör SECHSKANTMUTTER 5/16-18AF-43064SECHSKANTMUTTER 5/16-18
67 AF-44732FEDERRING 5/16
68 AF-47397SCHLAUCHKLEMME
69 AF-47390ADAPTER
70 AF-47405SCHLAUCHSCHELLE 1/4"
71 AF-47392SCHLAUCH
72 AF-47399ABFLUSS / GEHÄUSE
73 AF-47398SCHEIBE
74 AF-47402MUTTER,NYLON 11/16THD
75 AF-47400O-RING
76 AF-47403ABLASSTOPFEN
Rasen
Bankeinzug, MasterCard, Visa, American Express, PayPal, Nachnahme, Vorauskasse, Sofortüberweisung
Datenschutzerklärung Impressum