Einstellungen Computer

MTD Zubehör Rasenkehrer 45-02201 (190-220-000) 190-220-000 (2005) Ersatzteile

190-220-000 (2005) 45-02201 (190-220-000)

 MTD Zubehör Zubehör Garten- und Rasentraktoren Rasenkehrer 45-02201  (190-220-000) 190-220-000  (2005) Grundgerät

Hier finden Sie die Ersatzteilzeichnung für MTD Zubehör Zubehör Garten- und Rasentraktoren Rasenkehrer 45-02201 (190-220-000) 190-220-000 (2005) Grundgerät. Wählen Sie das benötigte Ersatzteil aus der Ersatzteilliste Ihres MTD Zubehör Gerätes aus und bestellen Sie einfach online. Viele MTD Zubehör Ersatzteile halten wir ständig in unserem Lager für Sie bereit.

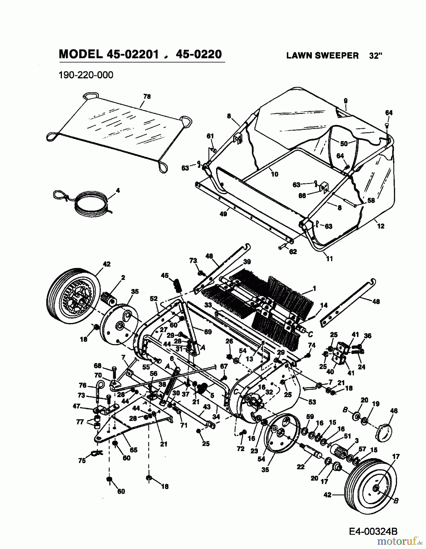
BildNrArtikel NummerBezeichnung
1 AF-43903BÜRSTE
2 AF-43886ANTRIEBSRITZEL R.
3 AF-43885ANTRIEBSRITZEL L.
4 AF-43737ZUGSEIL
5 AF-43720GRIFFMUTTER
6 AF-23851STELLSCHIENE
7 AF-44964STREBE
8 AF-48466RAHMENROHR VORN RE. U. LI.
9 AF-48470RAHMENROHR OBEN HINTEN
10 AF-43930RAHMENROHR UNTEN RE.
11 AF-43929RAHMENROHR UNTEN LI.
12 AF-48397GRASFANGSACK
13 AF-C-9M5732
14 AF-43851SPANNSTIFT
15 AF-1650-21SPANNRING
16 AF-44007SCHEIBE
17 MTD Zubehör FLANSCHLAGER741-0249FLANSCHLAGER
18 712-0158S-MUTTER:5/16-18:GR A:CTRLK
19 716-0106SICHERUNGSRING: .625 DIA WELLE
20 AF-44125UNTERLAGSCHEIBE
21 AF-43081UNTERLAGSCHEIBE 5/16
22 AF-44598ACHSBOLZEN
23 AF-44684SKT-MUTTER 3/8-24
24 AF-43661SKT.-SCHR.1/4-20X1"LG.
25 712-0291S-MUTTER:1/4-20:GRA:CTRLK
26 AF-1038MUTTER
27 AF-44906EINSTELLBÜGEL
28 AF-43083SKT-MUTTTER 5/16-18
29 AF-43080FL.-RUNDSCHRAUBE
30 AF-23400DISTANZRING
31 AF-44695SONDERSCHEIBE
32 AF-44909FLANSCHLAGER
33 AF-23853WINKEL
34 AF-23848GEHÄUSEBLECH
35 AF-23867ABDECKUNG
36 AF-43012
37 AF-44947SKT-SCHR.5/16-18X1-5/8"
38 AF-23869WINKEL
39 AF-23871WELLE FÜR KEHRBÜRSTE
40 AF-23580BÜRSTENHALTER
41 AF-23581KLEMMBÜGEL
42 AF-44931RAD ZUS.25 CM
43 AF-44903ROHR
44 AF-43086FEDERRING 5/16
45 AF-43943PLASTIKGRIFF
46 AF-2674-32RADKAPPE
47 AF-23014ANHÄNGELASCHE
48 AF-23812BEHÄLTERTRÄGER
49 AF-23351SCHIENE AUßEN
50 AF-43926STÜTZSTREBE
51 AF-47046ZYLINDERSTIFT
52 AF-23846SEITENTEIL RECHTS
53 AF-23845SEITENTEIL LINKS
54 AF-R19131316UNTERLAGSCHEIBE
55 AF-44692SKT-SCHRAUBE 5/16-18X1/2"
56 AF-43182SKT-SCHR.5/16-18X.75"LG.
57 AF-44006SONDERSCHEIBE
58 AF-43513BOLZEN 3/8X3.0" LG.
59 MTD Zubehör SCHEIBE:FLACH:.793x1.24x.06:HT736-0287SCHEIBE:FLACH:.793x1.24x.06:HT
60 AF-43082SECHSKANTMUTTER 5/16-18
61 AF-48366BOLZEN
62 AF-48365BOLZEN
63 AF-43055FEDERSTECKER
64 AF-48402STIFT
65 AF-23868ZUGPLATTE
66 AF-23354FALLBÜGEL
67 AF-44215GEWINDEBOLZEN 5/16-18X1-3,4"
68 AF-43062SKT.-SCHRAUBE 3/8-16X1/2"
69 AF-23850HÖHENEINSTELLHEBEL
70 AF-24161KLEMMRING
71 AF-43814SCHRAUBE 5/16-18X3/4 LG
72 AF-44950SCHLOßSCHR. 1/4-20X5/8"
73 AF-43407SKT-SCHR.3/8-16X3/4 LG.
74 AF-431756KT.SCHRAUBE
75 AF-43343FEDERSTECKER
76 AF-23353ABSTECKBOLZEN
77 AF-23368DISTANZHÜLSE
78 AF-43686FANGTUCH
Rasen
Bankeinzug, MasterCard, Visa, American Express, PayPal, Nachnahme, Vorauskasse, Sofortüberweisung
Datenschutzerklärung Impressum
Qualitätsmanagement
Informieren Sie uns, wenn Sie einen Fehler gefunden haben.