MTD Zubehör Rasenkehrer 45-0197 (190-507-000) 190-507-000 (1998) Ersatzteile
190-507-000 (1998) 45-0197 (190-507-000)

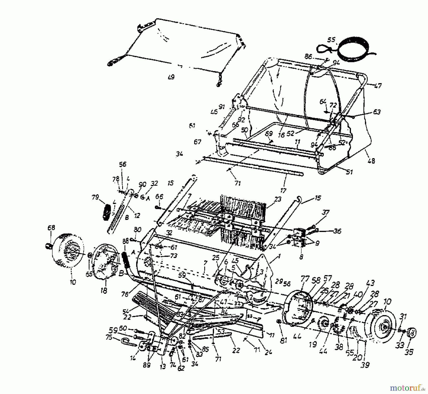
Hier finden Sie die Ersatzteilzeichnung für MTD Zubehör Zubehör Garten- und Rasentraktoren Rasenkehrer 45-0197 (190-507-000) 190-507-000 (1998) Grundgerät. Wählen Sie das benötigte Ersatzteil aus der Ersatzteilliste Ihres MTD Zubehör Gerätes aus und bestellen Sie einfach online. Viele MTD Zubehör Ersatzteile halten wir ständig in unserem Lager für Sie bereit.



