Einstellungen Computer

MTD Zubehör Rasenkehrer 45-03311 (190-145A000) 190-145A000 (2016) Ersatzteile

190-145A000 (2016) 45-03311 (190-145A000)

 MTD Zubehör Zubehör Garten- und Rasentraktoren Rasenkehrer 45-03311  (190-145A000) 190-145A000  (2016) Grundgerät

Hier finden Sie die Ersatzteilzeichnung für MTD Zubehör Zubehör Garten- und Rasentraktoren Rasenkehrer 45-03311 (190-145A000) 190-145A000 (2016) Grundgerät. Wählen Sie das benötigte Ersatzteil aus der Ersatzteilliste Ihres MTD Zubehör Gerätes aus und bestellen Sie einfach online. Viele MTD Zubehör Ersatzteile halten wir ständig in unserem Lager für Sie bereit.

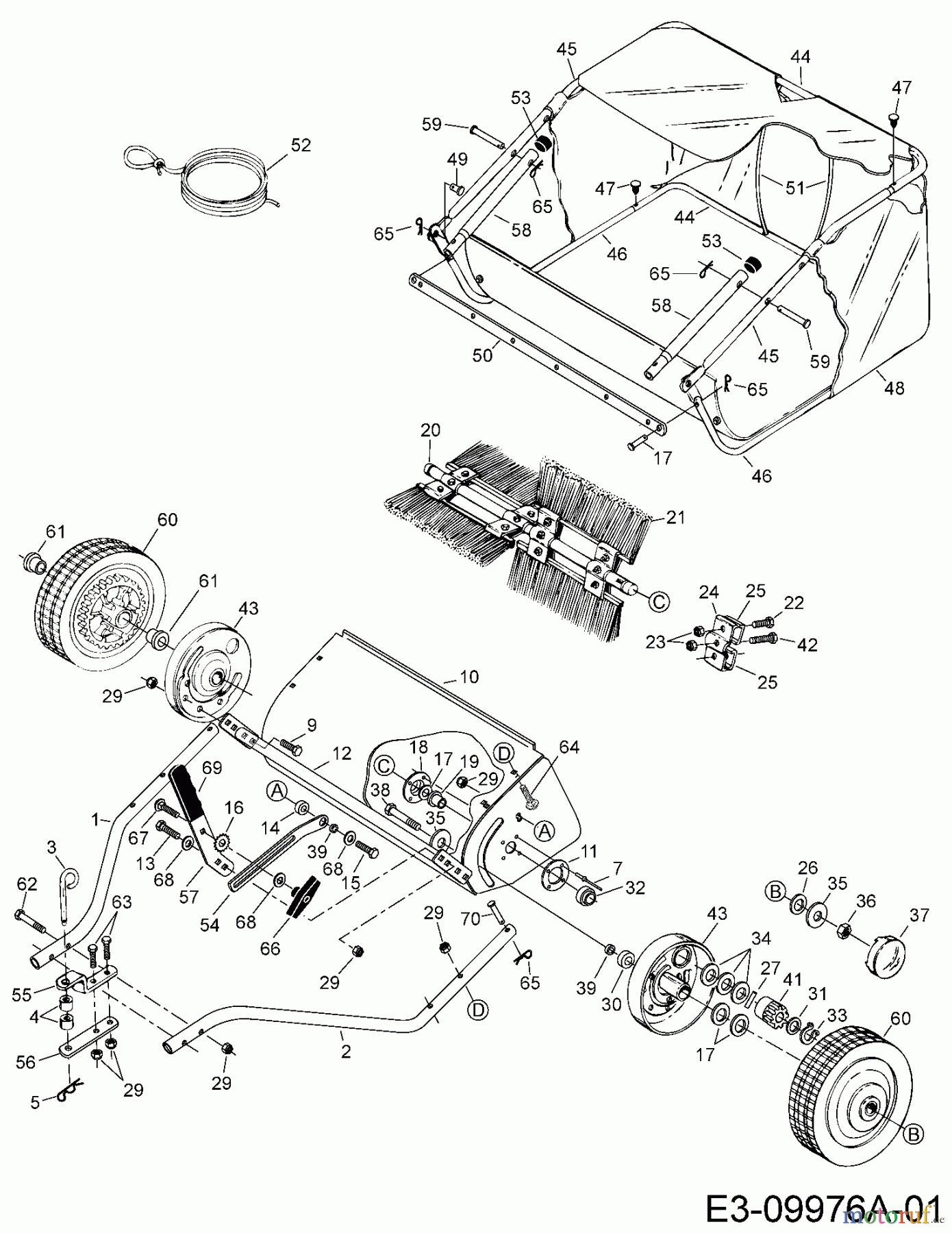
BildNrArtikel NummerBezeichnung
1 AF-40612ZUGSTANGE RECHTS
2 AF-40613ZUGSTANGE LINKS
3 AF-23353ABSTECKBOLZEN
4 AF-23368DISTANZHÜLSE
5 AF-43343FEDERSTECKER
7 AF-C-9M5732
9 AF-43182SKT-SCHR.5/16-18X.75"LG.
10 AF-65578BÜRSTENGEHÄUSE
11 AF-23336SCHEIBE,SPEZIAL
12 AF-68208BEFESTIGUNGSROHR, HÖHENVERST.
13 AF-43063SKT-SCHRAUBE 5/16-18X1 LG
14 AF-25408DISTANZBUCHSE
15 AF-43840SKT.-SCHRAUBE 5/16-18X1-1/4"LG
16 AF-44732FEDERRING 5/16
17 AF-R19212113SCHEIBE,5/8" SAE
18 AF-1629-56LAGERSCHALE
19 AF-44910BÜCHSE
20 AF-24085BÜRSTENWELLE
21 AF-43905BÜRSTE
22 AF-43012
23 AF-47189SICHERUNGSMUTTER 1/4-20
24 AF-23580BÜRSTENHALTER
25 AF-23581KLEMMBÜGEL
26 AF-44125UNTERLAGSCHEIBE
27 AF-47046ZYLINDERSTIFT
29 AF-478106-KANT MUTTER 5/16-18
30 AF-48702DISTANZBUCHSE
31 AF-44006SONDERSCHEIBE
32 AF-46219DISTANZSTÜCK
33 AF-1650-21SPANNRING
34 AF-40001DISTANZSCHEIBE
35 AF-141UNTERLAGSCHEIBE
36 AF-1038MUTTER
37 AF-2674-32RADKAPPE
38 AF-44961SKT.-SCHRAUBE
39 AF-23400DISTANZRING
40 AF-43886ANTRIEBSRITZEL R.
41 AF-43885ANTRIEBSRITZEL L.
42 AF-43661SKT.-SCHR.1/4-20X1"LG.
43 AF-64578ABDECKUNG
44 AF-48469ROHRRAHMEN HINTEN
45 AF-48466RAHMENROHR VORN RE. U. LI.
46 AF-48727ROHRRAHMEN UNTEN, VORN
47 AF-48402STIFT
48 AF-48403FANGSACK
49 AF-48366BOLZEN
50 AF-23352SCHIENE
51 AF-43926STÜTZSTREBE
52 AF-43737ZUGSEIL
53 AF-44481VERSCHLUSSKAPPE
54 AF-24979VERSTELLSTANGE
55 AF-23687ZUGKLAMMER
56 AF-24192VERTÄRKUNGSLASCHE
57 AF-26243HANDHEBEL, HÖHENVERSTELLUNG
58 AF-40620VERBINDUNGSROHR
59 AF-43513BOLZEN 3/8X3.0" LG.
60 AF-49946RAD KUNSTSTOFF
61 MTD Zubehör FLANSCHLAGER741-0249FLANSCHLAGER
62 AF-44292SKT.-SCHRAUBE
63 AF-44180GEWINDEBOLZEN
64 AF-43681SCHLOßSCHR.5/16-18X1 1/2"
65 AF-43055FEDERSTECKER
66 AF-43720GRIFFMUTTER
67 AF-44326FLACHKOPFSCHR.5/16-18X1"
68 AF-43081UNTERLAGSCHEIBE 5/16
69 AF-43943PLASTIKGRIFF
70 AF-46867ABSTECKBOLZEN 1/4X1-3/4
71 AF-48365BOLZEN
Rasen
Bankeinzug, MasterCard, Visa, American Express, PayPal, Nachnahme, Vorauskasse, Sofortüberweisung
Datenschutzerklärung Impressum
Qualitätsmanagement
Informieren Sie uns, wenn Sie einen Fehler gefunden haben.