MTD Zubehör Grasfangvorrichtung für 800 Serie Kastenrahmen mit Mähwerk H (46"/117cm) 190-0830 (1991) Grasfangkorb Ersatzteile
Grasfangkorb 190-0830 (1991)

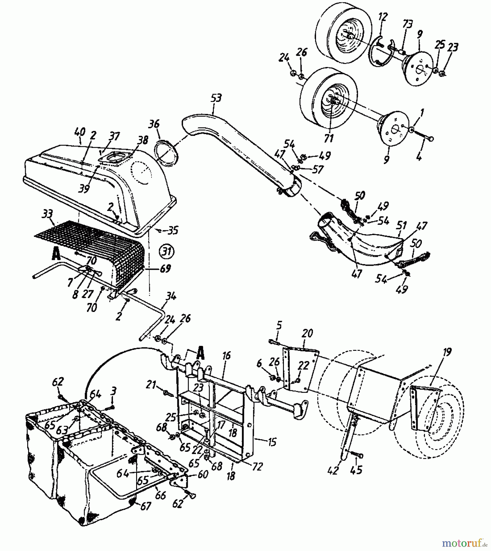
Hier finden Sie die Ersatzteilzeichnung für MTD Zubehör Zubehör Garten- und Rasentraktoren Grasfangvorrichtung für 800 Serie Kastenrahmen mit Mähwerk H (46"/117cm) 190-0830 (1991) Grasfangkorb. Wählen Sie das benötigte Ersatzteil aus der Ersatzteilliste Ihres MTD Zubehör Gerätes aus und bestellen Sie einfach online. Viele MTD Zubehör Ersatzteile halten wir ständig in unserem Lager für Sie bereit.











