MTD Zubehör Grasfangvorrichtung für 30"/76cm Heckauswurf, 8-Stern Messerscheibe, Frontgewicht 198-0560 (1988) Grasfangkorb Ersatzteile
Grasfangkorb 198-0560 (1988)

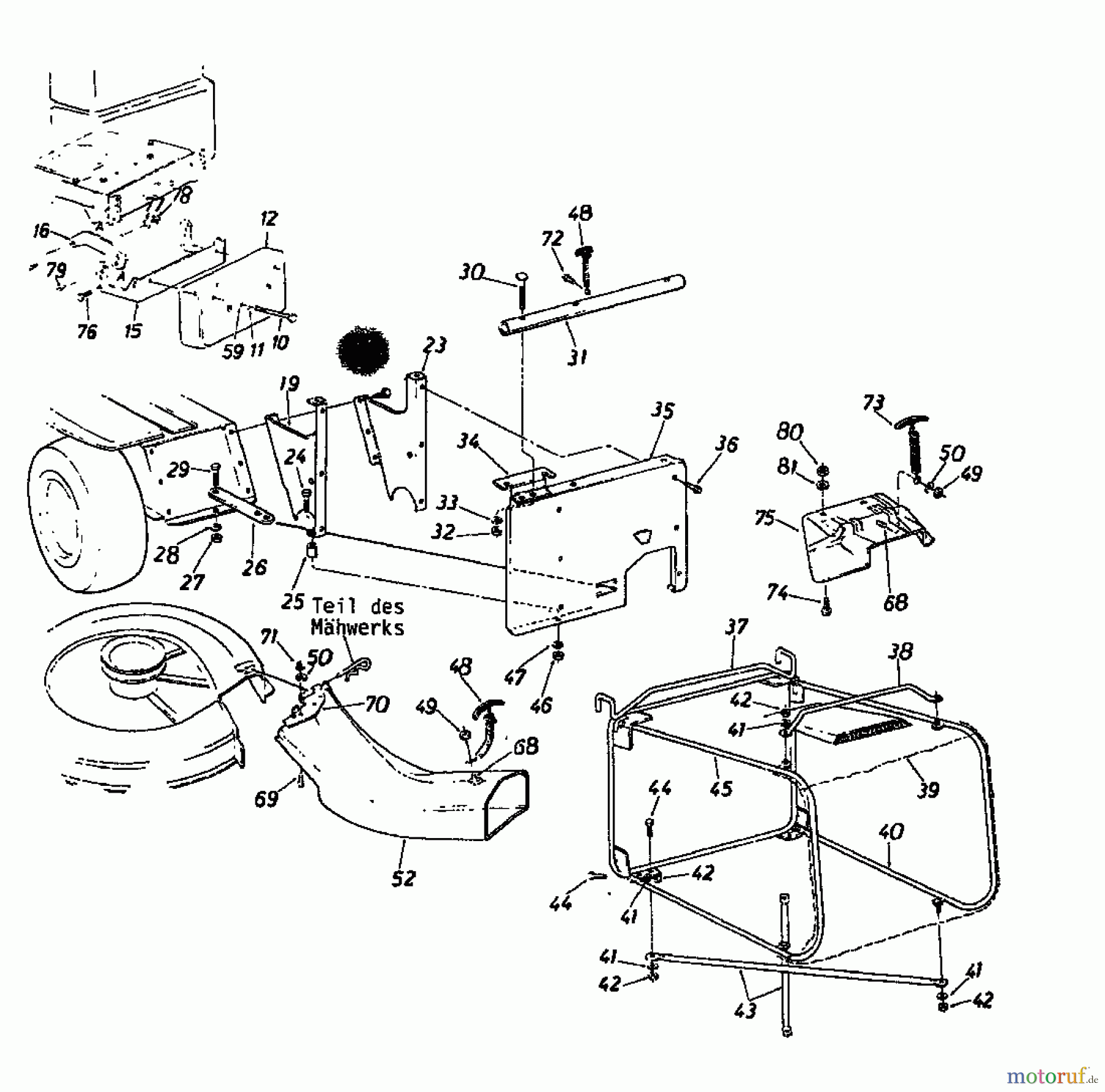
Hier finden Sie die Ersatzteilzeichnung für MTD Zubehör Zubehör Garten- und Rasentraktoren Grasfangvorrichtung für 30"/76cm Heckauswurf, 8-Stern Messerscheibe, Frontgewicht 198-0560 (1988) Grasfangkorb. Wählen Sie das benötigte Ersatzteil aus der Ersatzteilliste Ihres MTD Zubehör Gerätes aus und bestellen Sie einfach online. Viele MTD Zubehör Ersatzteile halten wir ständig in unserem Lager für Sie bereit.


Qualitätsmanagement
Informieren Sie uns, wenn Sie einen Fehler gefunden haben.





