MTD Zubehör Grasfangvorrichtung für 900 Serie (NX-09) mit Mähwerk T (46"/117cm) 19A30003100 (2014) Grasfangsackdeckel, Obere Röhre Ersatzteile
Grasfangsackdeckel, Obere Röhre 19A30003100 (2014)

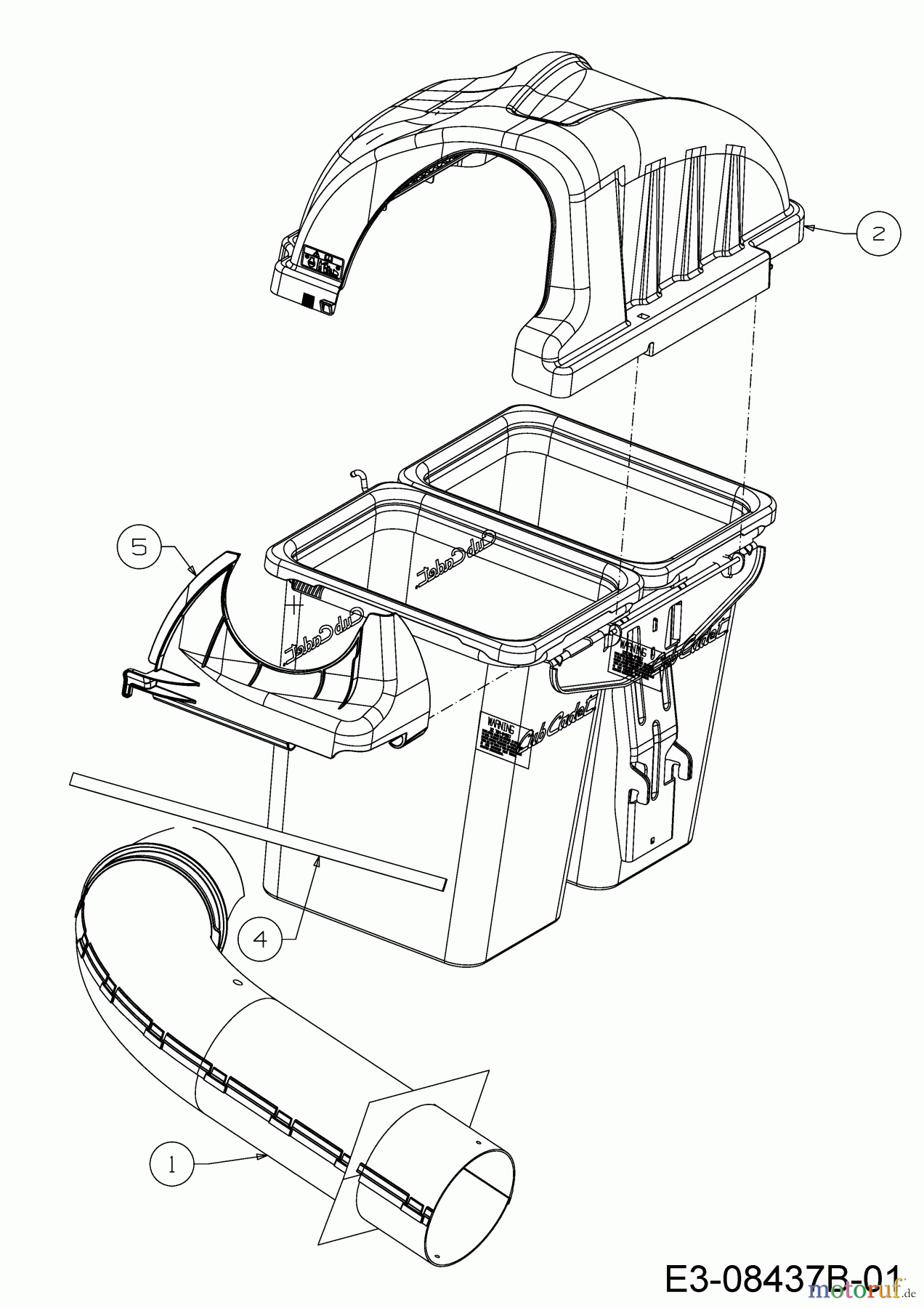
Hier finden Sie die Ersatzteilzeichnung für MTD Zubehör Zubehör Garten- und Rasentraktoren Grasfangvorrichtung für 900 Serie (NX-09) mit Mähwerk T (46"/117cm) 19A30003100 (2014) Grasfangsackdeckel, Obere Röhre. Wählen Sie das benötigte Ersatzteil aus der Ersatzteilliste Ihres MTD Zubehör Gerätes aus und bestellen Sie einfach online. Viele MTD Zubehör Ersatzteile halten wir ständig in unserem Lager für Sie bereit.
| BildNr | Artikel Nummer | Bezeichnung | |
| 1 | 631-04295B | AUSWURFSCHACHT (OBEN) | |
| 2 | 631-04292 | FANGKORBABDECKUNG DOUBLE BAG | |
| 4 | 721-04388 | SCHAUMSTOFFBAND | |
| 5 | 731-06497 | TRÄGER-OBERER AUSWURFKANAL | |


Qualitätsmanagement
 Informieren Sie uns, wenn Sie einen Fehler gefunden haben.

