Einkaufswagen
Mein Konto

MTD Zubehör Mähwerke für GTX 2100, Mähwerk 50"/127cm 19A40013603 (2016) Ersatzteile

19A40013603 (2016) für GTX 2100, Mähwerk 50"/127cm

 MTD Zubehör Zubehör Garten- und Rasentraktoren Mähwerke für GTX 2100, Mähwerk 50

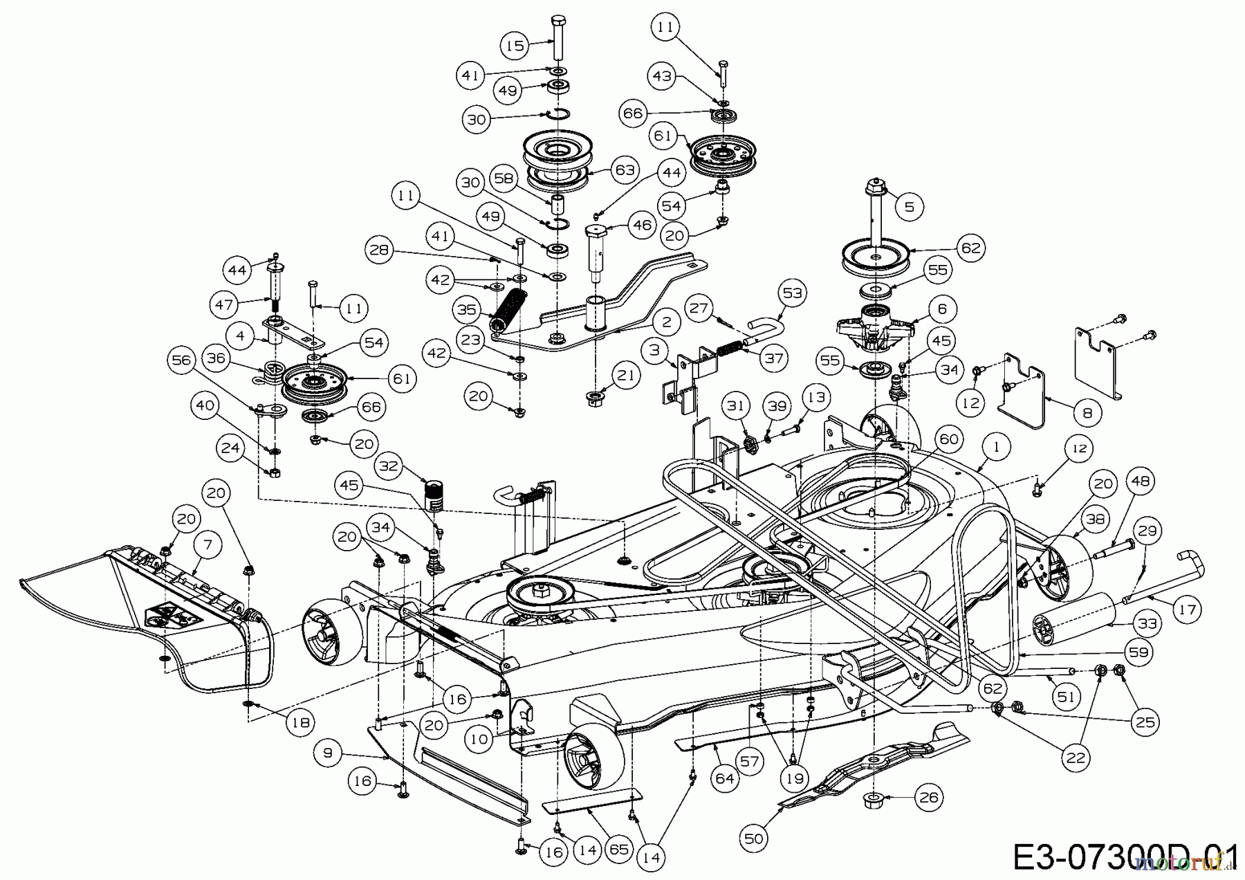
Hier finden Sie die Ersatzteilzeichnung für MTD Zubehör Zubehör Garten- und Rasentraktoren Mähwerke für GTX 2100, Mähwerk 50"/127cm 19A40013603 (2016) Grundgerät. Wählen Sie das benötigte Ersatzteil aus der Ersatzteilliste Ihres MTD Zubehör Gerätes aus und bestellen Sie einfach online. Viele MTD Zubehör Ersatzteile halten wir ständig in unserem Lager für Sie bereit.

BildNrArtikel NummerBezeichnung
1 603-04813B
2 603-04851BSPANNARM
3 603-04859MÄHWERKSAUFHÄNGUNG
4 603-04920A
5 603-04941MESSERWELLE
6 MTD Zubehör MESSERSPINDEL618-3129CMESSERSPINDEL
7 631-04070ADEFLEKTOR
8 703-08425
9 703-08465A
10 703-3279ANSCHLAG:AUSWURFKANAL:DEFLEKTO
11 MTD Zubehör 6KT-SCHR:3/8-16:1.75:GR5:STD710-03476KT-SCHR:3/8-16:1.75:GR5:STD
12 MTD Zubehör 6KT-SCHRAUBE:TT:5/16-18:.750710-044846KT-SCHRAUBE:TT:5/16-18:.750
13 MTD Zubehör 6KT-SCHR:5/16-18:1.25:GR5:STD710-05286KT-SCHR:5/16-18:1.25:GR5:STD
14 MTD Zubehör 6KT-SCHRAUBE:TT:1/4-20:0.500710-05996KT-SCHRAUBE:TT:1/4-20:0.500
15 710-09236KT.-SCHRAUBE 5/8-18 X 3.00"
16 710-3168FL-RD-SCHRAUBE:3/8-16:1.00:GR5
17 711-3314AACHSE:1/2"x7.31"LG:STÜTZROLLE
18 MTD Zubehör KLEMMSCHEIBE:3/8712-0229KLEMMSCHEIBE:3/8
19 712-0291S-MUTTER:1/4-20:GRA:CTRLK
20 MTD Zubehör S-6KT-BUNDMUTTER 3/8-16:NYLON712-04065S-6KT-BUNDMUTTER 3/8-16:NYLON
21 712-04327MUTTER 5/8-18
22 MTD Zubehör 6KT-MUTTER:1/2-13:PATCH HD712-050466KT-MUTTER:1/2-13:PATCH HD
23 712-30086KT-MUTTER:3/8-16:GR5
24 712-3019MUTTER
25 712-30486KT-MUTTER:JAM:1/2-13:GR5
26 MTD Zubehör 6KT-MUTTER:FLG:3/4-16:GR8712-30786KT-MUTTER:FLG:3/4-16:GR8
27 MTD Zubehör ZIEHSPLINT:5/32:1.25714-0162ZIEHSPLINT:5/32:1.25
28 MTD Zubehör SPLINT:3/32 X .750714-0507SPLINT:3/32 X .750
29 714-3004SPLINT:3/32 X 1.25
30 MTD Zubehör SEEGERING716-3020SEEGERING
31 MTD Zubehör ZAHNRAD:Z10:DECKEINSTELLUNG717-04074ZAHNRAD:Z10:DECKEINSTELLUNG
32 721-04041ADAPTER:WASCHDÜSE
33 731-05679STÜTZROLLE:DECK 50P:VORN
34 731-07487WASCHDÜSE:DECKREINIGUNG
35 732-04896ZUGFEDER 1.25X6.9
36 732-3067SPANNFEDER
37 732-3127DRUCKFEDER:0.66 OD x 1.9 LG
38 MTD Zubehör DECKRAD:5.0 DIA:BALLFÖRMIG734-04155DECKRAD:5.0 DIA:BALLFÖRMIG
39 MTD Zubehör FEDERRING:5/16" NORMALAUSF.736-0119FEDERRING:5/16" NORMALAUSF.
40 MTD Zubehör FEDERRING 7/16" NORMALAUSF.736-0171FEDERRING 7/16" NORMALAUSF.
41 736-0237SCHEIBE:FLACH:.650x1.250x.075
42 MTD Zubehör SCHEIBE:FLACH:.385x1.000x.135736-0258SCHEIBE:FLACH:.385x1.000x.135
43 736-3050UNTERLAGSSCHEIBE
44 MTD Zubehör SCHMIERNIPPEL:3/16:LNC#70737-3000SCHMIERNIPPEL:3/16:LNC#70
45 MTD Zubehör 6KT-SCHULTERSCHR:1/4-20:0.50738-042786KT-SCHULTERSCHR:1/4-20:0.50
46 738-04544AANSATZBOLZEN 1.0x3.0 5/8-18
47 738-04545ANSATZBOLZEN .68x2.44 7/16-14
48 MTD Zubehör SCHULTERSCHR:.496x2.50:3/8-16738-3056SCHULTERSCHR:.496x2.50:3/8-16
49 MTD Zubehör KUGELLAGER:.625x40x12:6203:DS741-0524AKUGELLAGER:.625x40x12:6203:DS
50 742-04068CPROPELLERMESSER:17.90"LG 2in1
51 747-05352STANGE-DECKAUFHÄNGUNG VORN
52 747-05589BKEILRIEMENFÜHRUNG
53 747-3188BÜGEL:DECKENTRIEGELUNG: .5 DIA
54 MTD Zubehör BUNDBUCHSE:SPANNROLLE748-05029ABUNDBUCHSE:SPANNROLLE
55 MTD Zubehör DISTANZSTÜCK:MESSERSPDL/DECK748-3065ADISTANZSTÜCK:MESSERSPDL/DECK
56 748-3100AHALTER-SPANNFEDER
57 750-05297DISTANZSTUECK 0.258X0.500X0.24
58 750-3132BUCHSE
59 754-04055KEILRIEMEN
60 MTD Zubehör KEILRIEMEN:V-TYPE:A SECx114.24754-04137BKEILRIEMEN:V-TYPE:A SECx114.24
61 MTD Zubehör SPANNROLLE:4.25" DIA:HD756-05042SPANNROLLE:4.25" DIA:HD
62 756-3096RIEMENSCHEIBE:ANTRB:MESSERSPDL
63 756-3107ADOPPELKEILRIEMENSCHEIBE
64 783-04414ABLECH:UMRANDUNG:DECK:50":MITTE
65 783-04415WINDLEITBLECH RECHTS:50" DECK
66 MTD Zubehör ABDECKBLECH:RND:SPANNROLLE:HD783-08389ABDECKBLECH:RND:SPANNROLLE:HD
Rasen
Bankeinzug, MasterCard, Visa, American Express, PayPal, Nachnahme, Vorauskasse, Sofortüberweisung
Qualitätsmanagement
Informieren Sie uns, wenn Sie einen Fehler gefunden haben.