MTD Zubehör Mähwerke für 2000 SD Serie, Mähwerk 46"/117cm 190-300-100 (1999) Deflektor, Mähwerksgehäuse, Räder Ersatzteile
Deflektor, Mähwerksgehäuse, Räder 190-300-100 (1999)

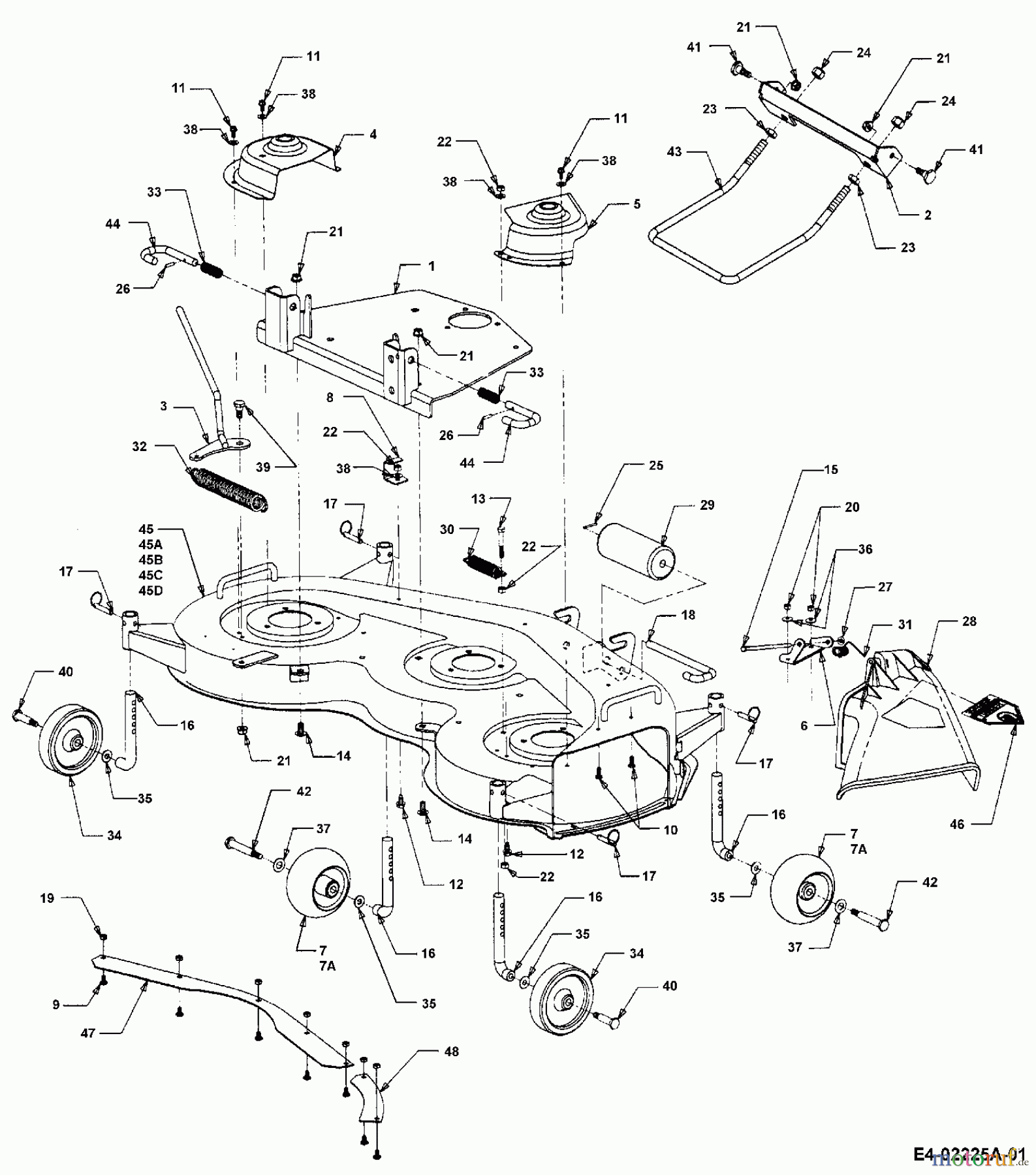
Hier finden Sie die Ersatzteilzeichnung für MTD Zubehör Zubehör Garten- und Rasentraktoren Mähwerke für 2000 SD Serie, Mähwerk 46"/117cm 190-300-100 (1999) Deflektor, Mähwerksgehäuse, Räder. Wählen Sie das benötigte Ersatzteil aus der Ersatzteilliste Ihres MTD Zubehör Gerätes aus und bestellen Sie einfach online. Viele MTD Zubehör Ersatzteile halten wir ständig in unserem Lager für Sie bereit.




















