Greenbase V 180 I 13HT99KE618 (2016) Motorzubehör Ersatzteile
Motorzubehör 13HT99KE618 (2016)

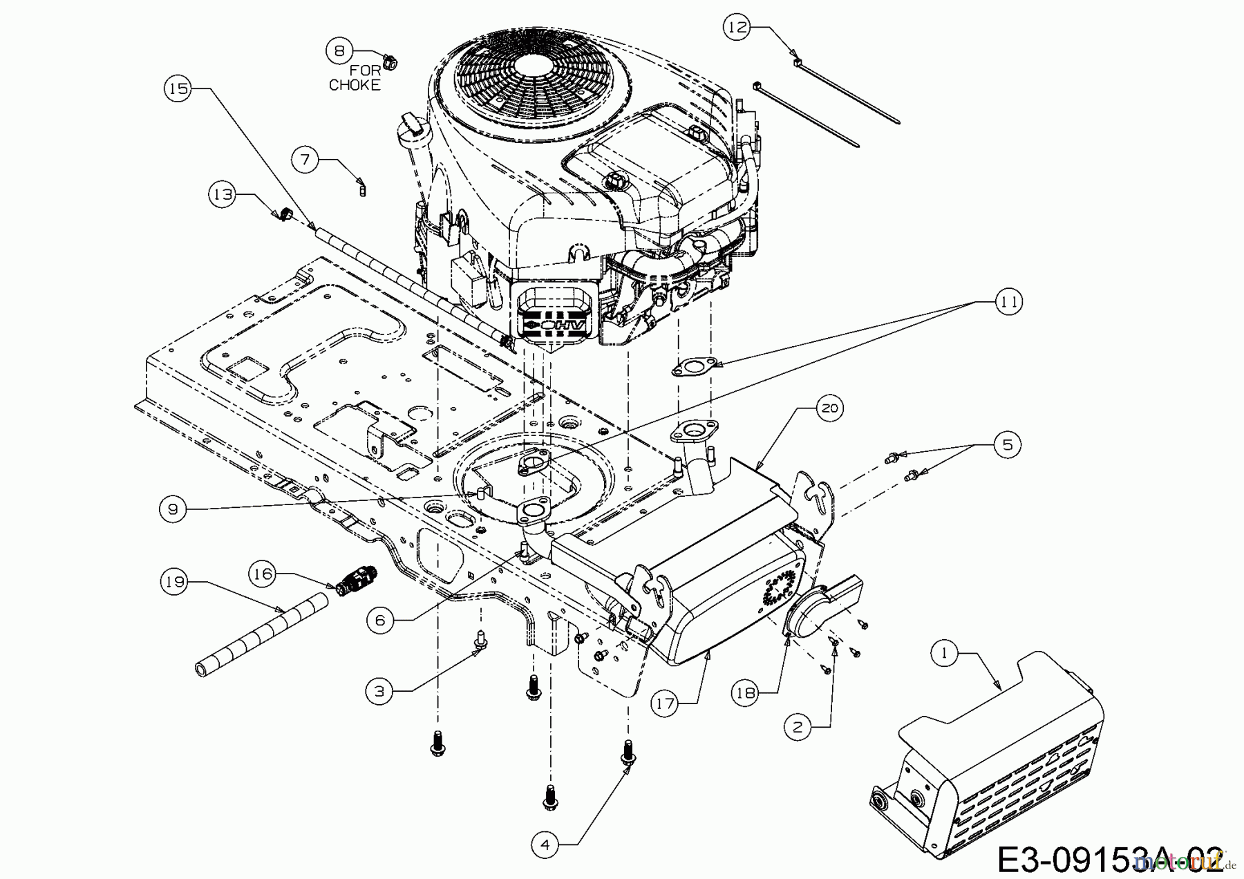
Hier finden Sie die Ersatzteilzeichnung für Greenbase Rasentraktoren V 180 I 13HT99KE618 (2016) Motorzubehör. Wählen Sie das benötigte Ersatzteil aus der Ersatzteilliste Ihres Greenbase Gerätes aus und bestellen Sie einfach online. Viele Greenbase Ersatzteile halten wir ständig in unserem Lager für Sie bereit.


Qualitätsmanagement
Informieren Sie uns, wenn Sie einen Fehler gefunden haben.










