Bestgreen BG 11576 SM 13B226JD655 (2016) Verkleidungen Ersatzteile
Verkleidungen 13B226JD655 (2016)

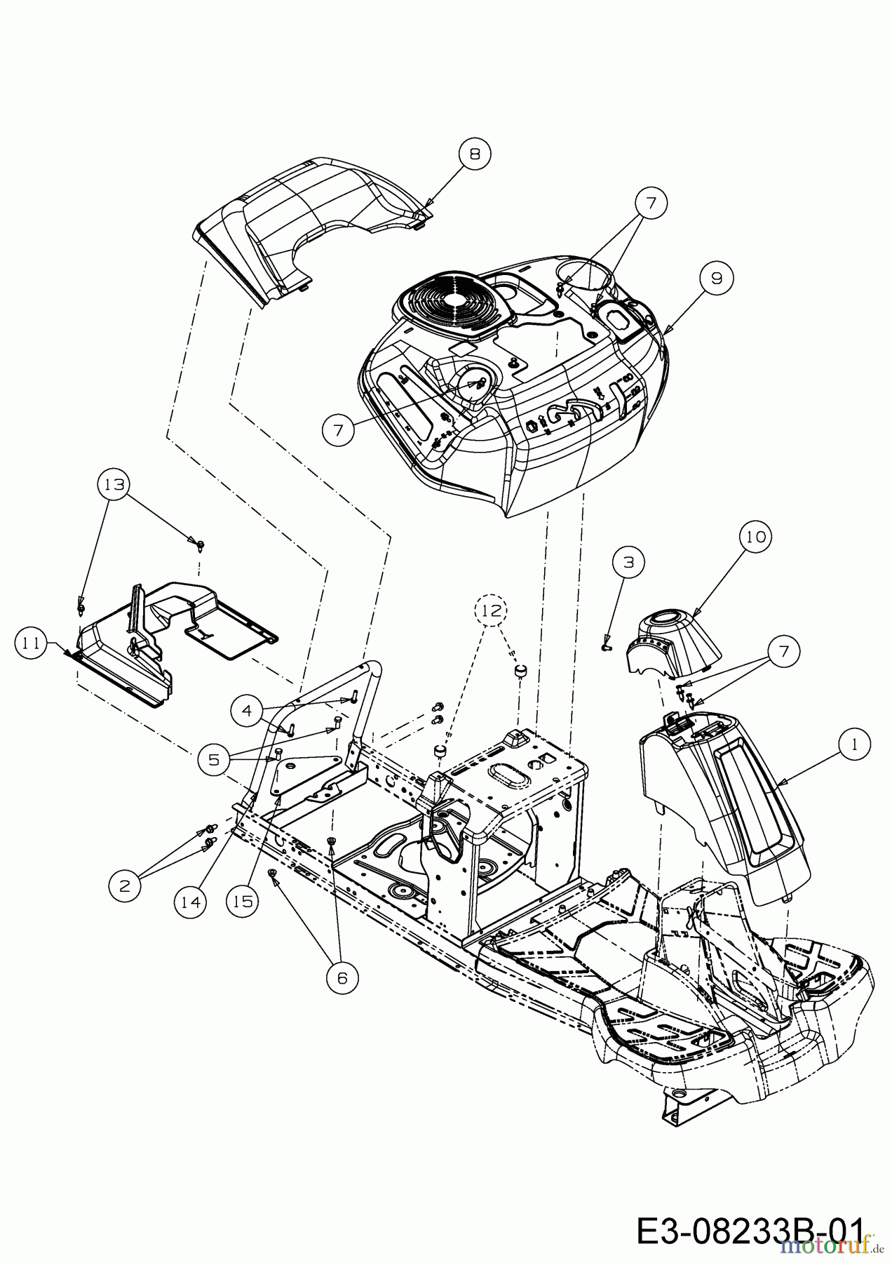
Hier finden Sie die Ersatzteilzeichnung für Bestgreen Rasentraktoren BG 11576 SM 13B226JD655 (2016) Verkleidungen. Wählen Sie das benötigte Ersatzteil aus der Ersatzteilliste Ihres Bestgreen Gerätes aus und bestellen Sie einfach online. Viele Bestgreen Ersatzteile halten wir ständig in unserem Lager für Sie bereit.


Qualitätsmanagement
Informieren Sie uns, wenn Sie einen Fehler gefunden haben.







