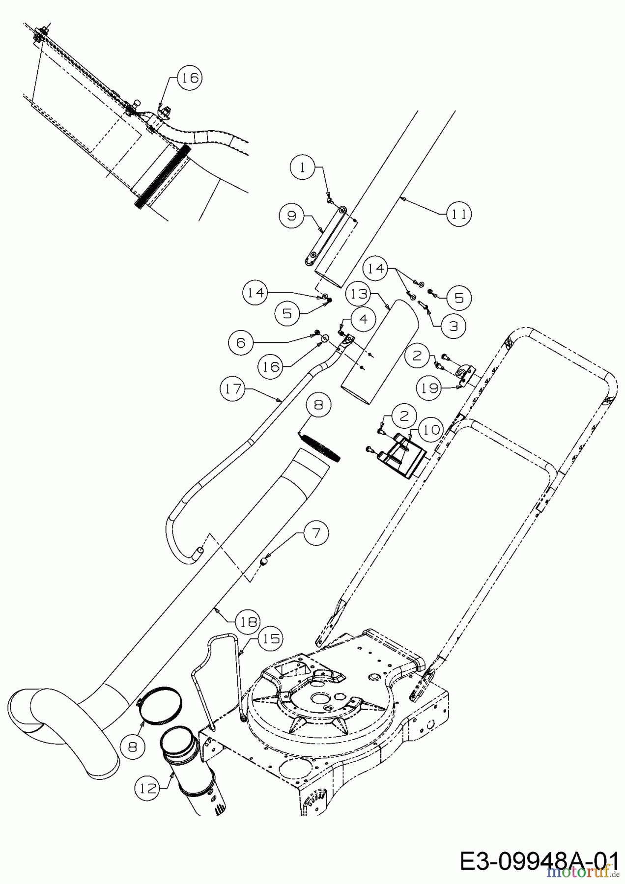
Troy-Bilt CSV 070 24A-07MP766 (2016) Saugschlauch Ersatzteile
Saugschlauch 24A-07MP766 (2016)

Hier finden Sie die Ersatzteilzeichnung für Troy-Bilt Laubsauger mit Häckselfunktion CSV 070 24A-07MP766 (2016) Saugschlauch. Wählen Sie das benötigte Ersatzteil aus der Ersatzteilliste Ihres Troy-Bilt Gerätes aus und bestellen Sie einfach online. Viele Troy-Bilt Ersatzteile halten wir ständig in unserem Lager für Sie bereit.





