Troy-Bilt Super Bronco GT 54 FAB 14A7A3KA066 (2016) Motorzubehör Ersatzteile
Motorzubehör 14A7A3KA066 (2016)

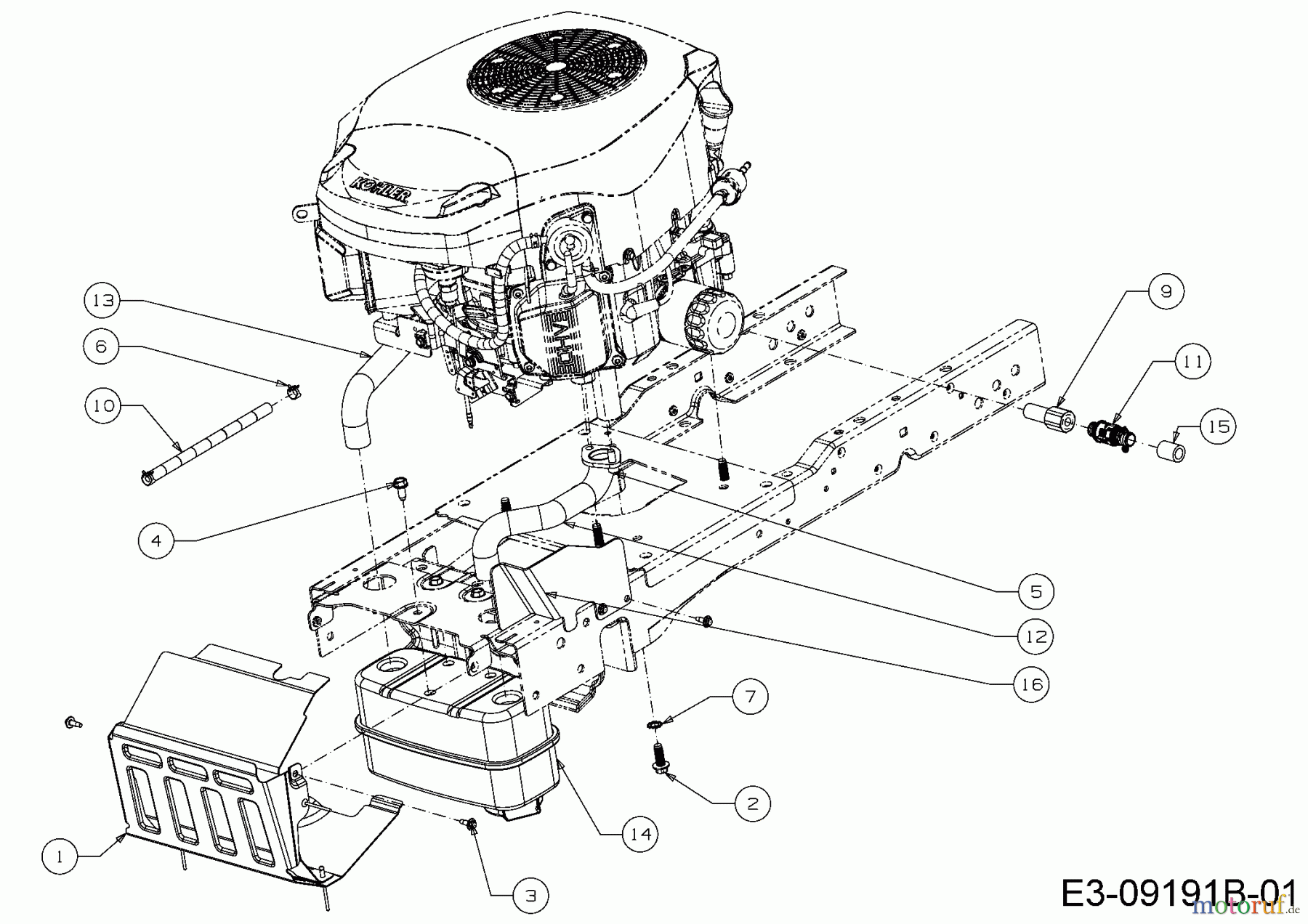
Hier finden Sie die Ersatzteilzeichnung für Troy-Bilt Gartentraktoren Super Bronco GT 54 FAB 14A7A3KA066 (2016) Motorzubehör. Wählen Sie das benötigte Ersatzteil aus der Ersatzteilliste Ihres Troy-Bilt Gerätes aus und bestellen Sie einfach online. Viele Troy-Bilt Ersatzteile halten wir ständig in unserem Lager für Sie bereit.








