Troy-Bilt TB 2654 14AR94KK066 (2015) Schaltplan Ersatzteile
Schaltplan 14AR94KK066 (2015)

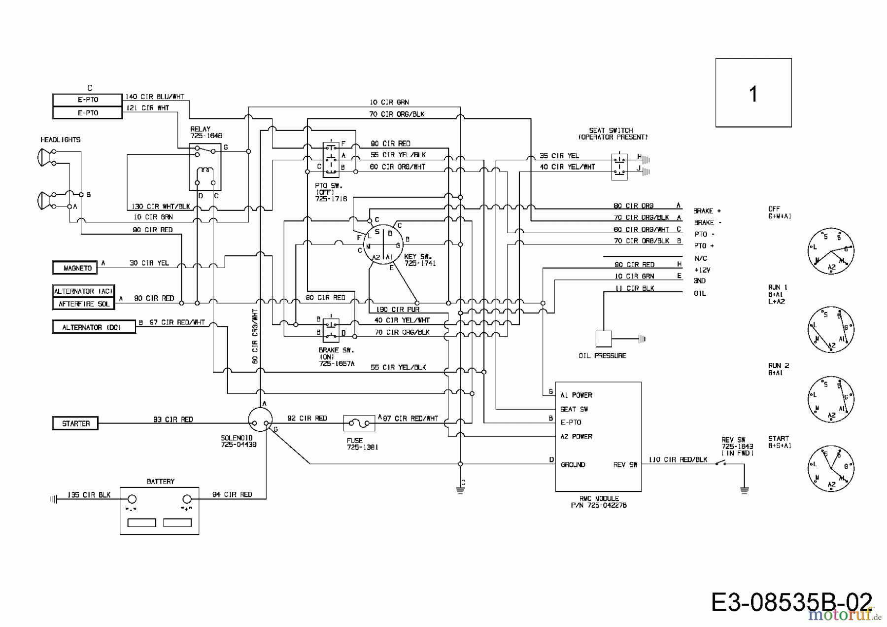
Hier finden Sie die Ersatzteilzeichnung für Troy-Bilt Gartentraktoren TB 2654 14AR94KK066 (2015) Schaltplan. Wählen Sie das benötigte Ersatzteil aus der Ersatzteilliste Ihres Troy-Bilt Gerätes aus und bestellen Sie einfach online. Viele Troy-Bilt Ersatzteile halten wir ständig in unserem Lager für Sie bereit.
| BildNr | Artikel Nummer | Bezeichnung | |
| 1 | 725-05036 | ||



