Troy-Bilt Pony 13AN77KS309 (2015) Mähwerk S (42"/107cm) Ersatzteile
Mähwerk S (42"/107cm) 13AN77KS309 (2015)

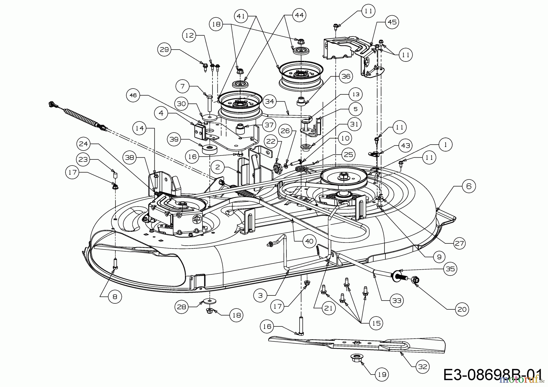
Hier finden Sie die Ersatzteilzeichnung für Troy-Bilt Rasentraktoren Pony 13AN77KS309 (2015) Mähwerk S (42"/107cm). Wählen Sie das benötigte Ersatzteil aus der Ersatzteilliste Ihres Troy-Bilt Gerätes aus und bestellen Sie einfach online. Viele Troy-Bilt Ersatzteile halten wir ständig in unserem Lager für Sie bereit.


Qualitätsmanagement
Informieren Sie uns, wenn Sie einen Fehler gefunden haben.






















