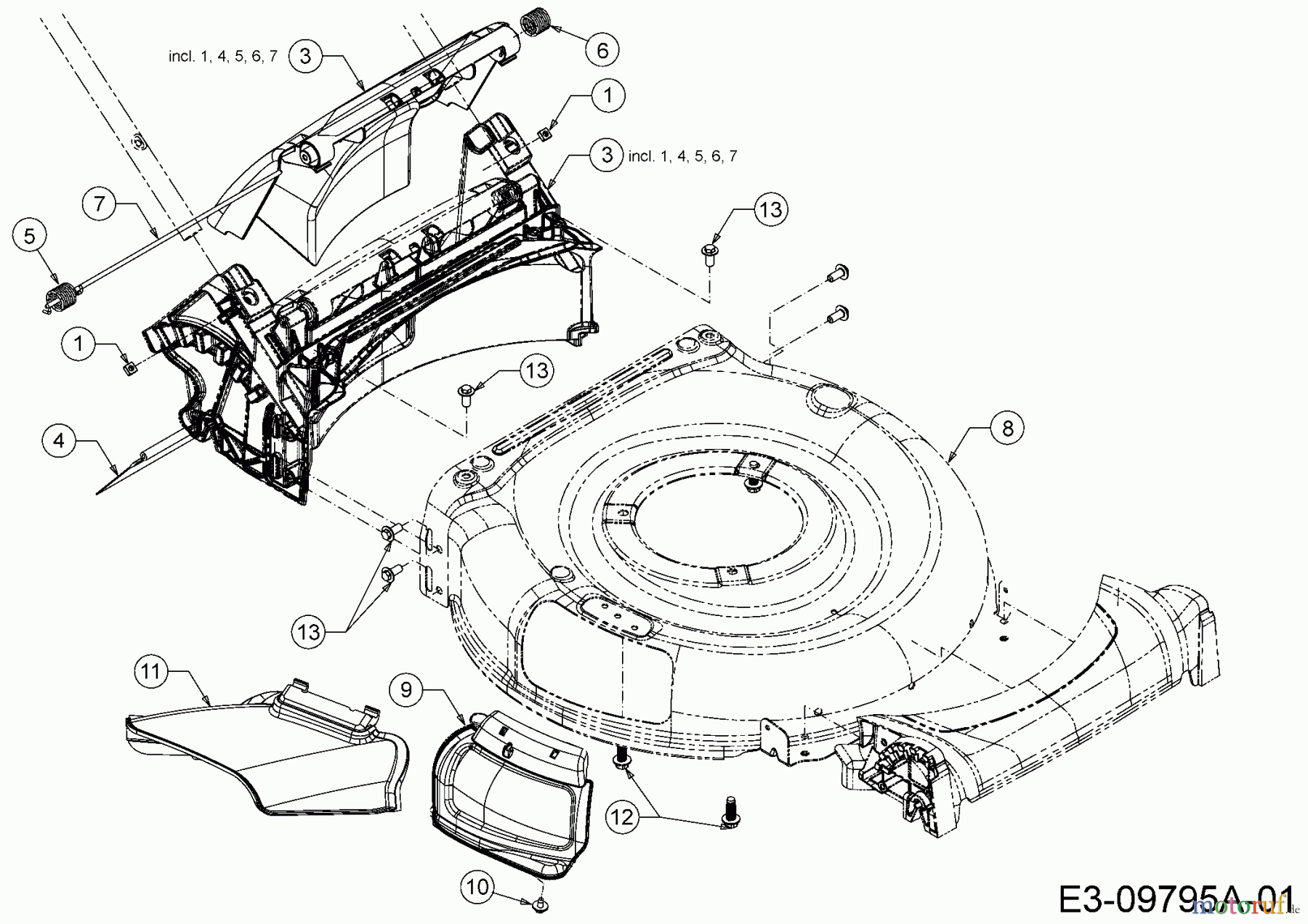
Troy-Bilt TB 130 11A-B2AQ311 (2016) Deflektor, Mähwerksgehäuse, Mulchklappe, Leitstück hinten, Waschdüse Ersatzteile
Deflektor, Mähwerksgehäuse, Mulchklappe, Leitstück hinten, Waschdüse 11A-B2AQ311 (2016)

Hier finden Sie die Ersatzteilzeichnung für Troy-Bilt Motormäher TB 130 11A-B2AQ311 (2016) Deflektor, Mähwerksgehäuse, Mulchklappe, Leitstück hinten, Waschdüse. Wählen Sie das benötigte Ersatzteil aus der Ersatzteilliste Ihres Troy-Bilt Gerätes aus und bestellen Sie einfach online. Viele Troy-Bilt Ersatzteile halten wir ständig in unserem Lager für Sie bereit.





