Raiffeisen RMS 7145-96 T 13AM777F628 (2009) Motorzubehör bis 13.11.2008 Ersatzteile
Motorzubehör bis 13.11.2008 13AM777F628 (2009)

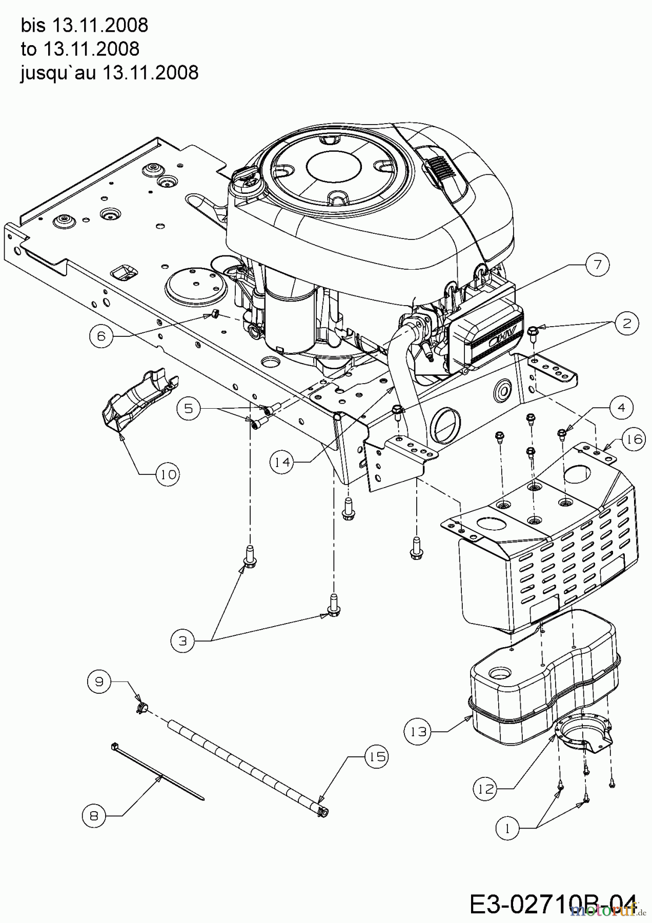
Hier finden Sie die Ersatzteilzeichnung für Raiffeisen Rasentraktoren RMS 7145-96 T 13AM777F628 (2009) Motorzubehör bis 13.11.2008. Wählen Sie das benötigte Ersatzteil aus der Ersatzteilliste Ihres Raiffeisen Gerätes aus und bestellen Sie einfach online. Viele Raiffeisen Ersatzteile halten wir ständig in unserem Lager für Sie bereit.


Qualitätsmanagement
Informieren Sie uns, wenn Sie einen Fehler gefunden haben.










