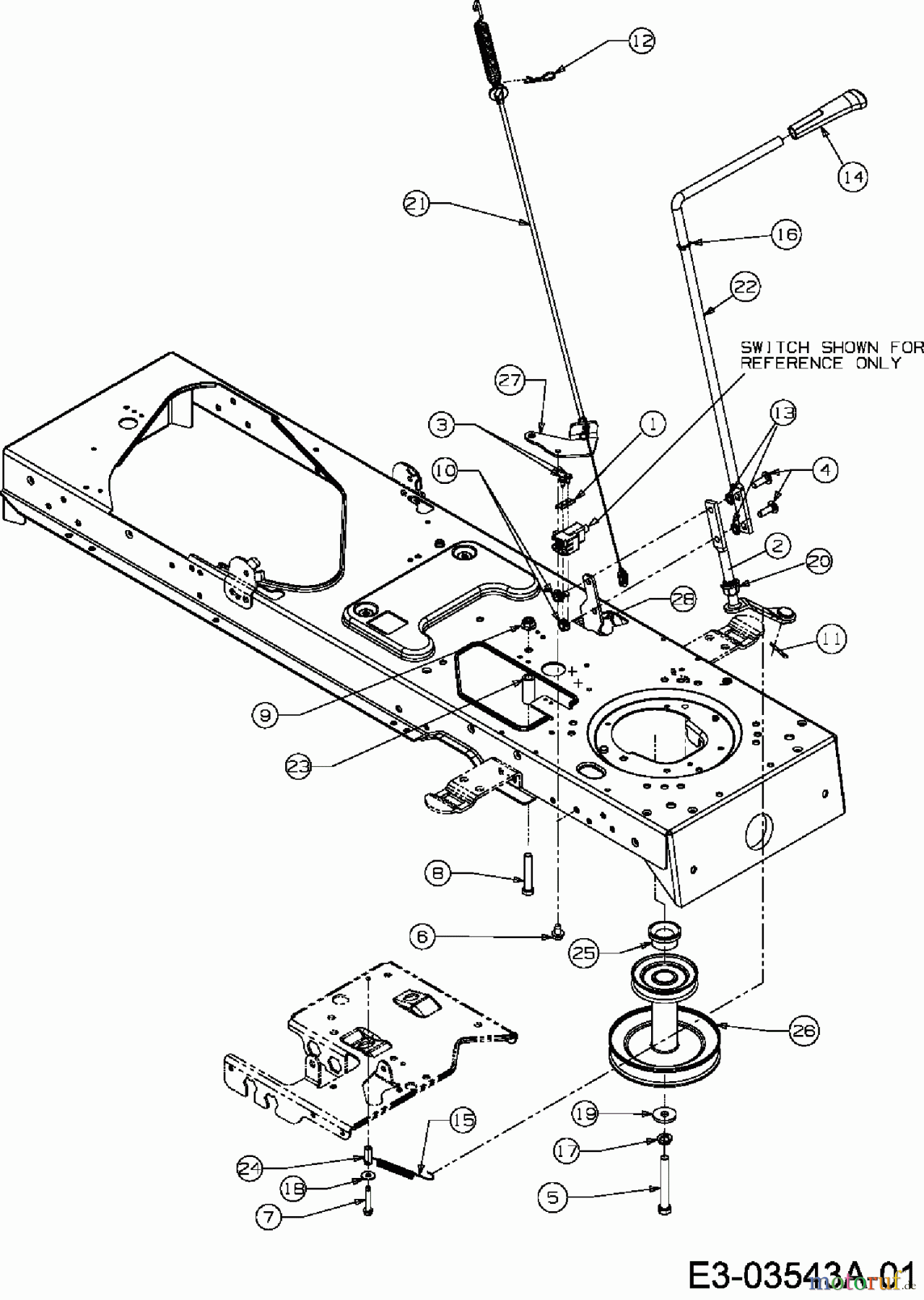
Gutbrod DLX 107 SHLK 13AG616G690 (2008) Mähwerkseinschaltung, Motorkeilriemenscheibe Ersatzteile
Mähwerkseinschaltung, Motorkeilriemenscheibe 13AG616G690 (2008)

Hier finden Sie die Ersatzteilzeichnung für Gutbrod Rasentraktoren DLX 107 SHLK 13AG616G690 (2008) Mähwerkseinschaltung, Motorkeilriemenscheibe. Wählen Sie das benötigte Ersatzteil aus der Ersatzteilliste Ihres Gutbrod Gerätes aus und bestellen Sie einfach online. Viele Gutbrod Ersatzteile halten wir ständig in unserem Lager für Sie bereit.

















