Mastercut 45 BV 24A-021F659 (2000) Messerträger mit Messern, Saugmaul Ersatzteile
Messerträger mit Messern, Saugmaul 24A-021F659 (2000)

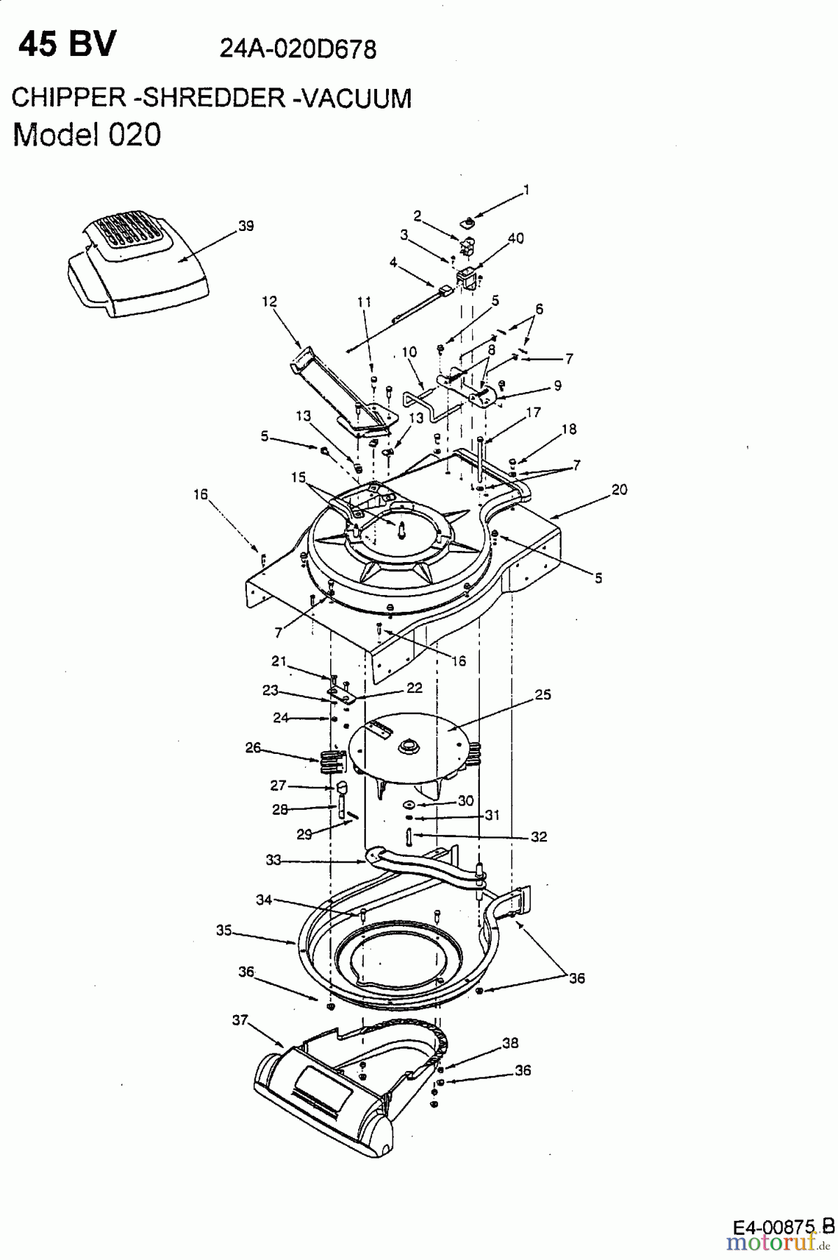
Hier finden Sie die Ersatzteilzeichnung für Mastercut Laubsauger mit Häckselfunktion 45 BV 24A-021F659 (2000) Messerträger mit Messern, Saugmaul. Wählen Sie das benötigte Ersatzteil aus der Ersatzteilliste Ihres Mastercut Gerätes aus und bestellen Sie einfach online. Viele Mastercut Ersatzteile halten wir ständig in unserem Lager für Sie bereit.


Qualitätsmanagement
Informieren Sie uns, wenn Sie einen Fehler gefunden haben.
















