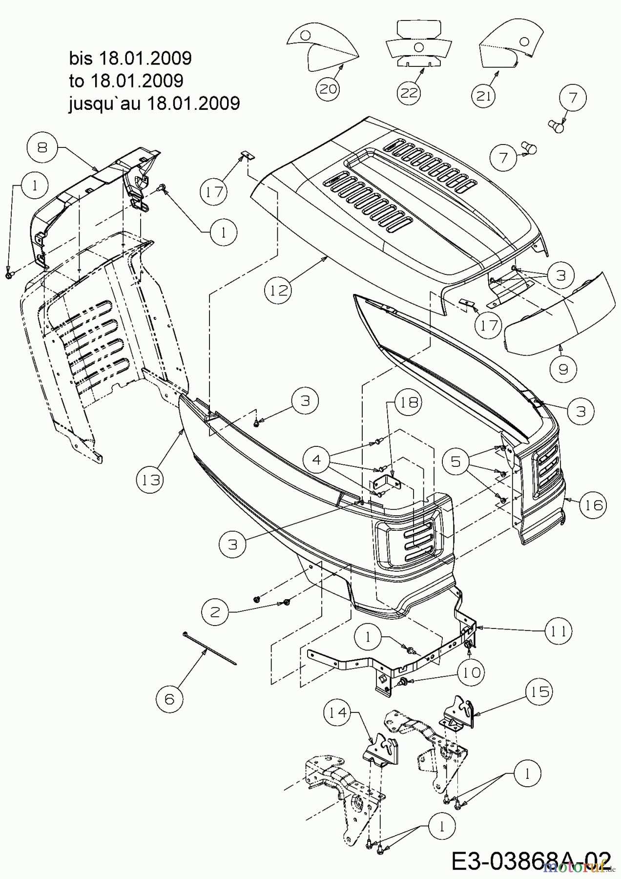
Variolux V-RTS 135/96 T 13AH77TF620 (2009) Motorhaube T-Style bis 18.01.2009 Ersatzteile
Motorhaube T-Style bis 18.01.2009 13AH77TF620 (2009)

Hier finden Sie die Ersatzteilzeichnung für Variolux Rasentraktoren V-RTS 135/96 T 13AH77TF620 (2009) Motorhaube T-Style bis 18.01.2009. Wählen Sie das benötigte Ersatzteil aus der Ersatzteilliste Ihres Variolux Gerätes aus und bestellen Sie einfach online. Viele Variolux Ersatzteile halten wir ständig in unserem Lager für Sie bereit.


Qualitätsmanagement
Informieren Sie uns, wenn Sie einen Fehler gefunden haben.





