Cmi 60 SDE 13A326JC620 (2017) Verkleidungen Ersatzteile
Verkleidungen 13A326JC620 (2017)

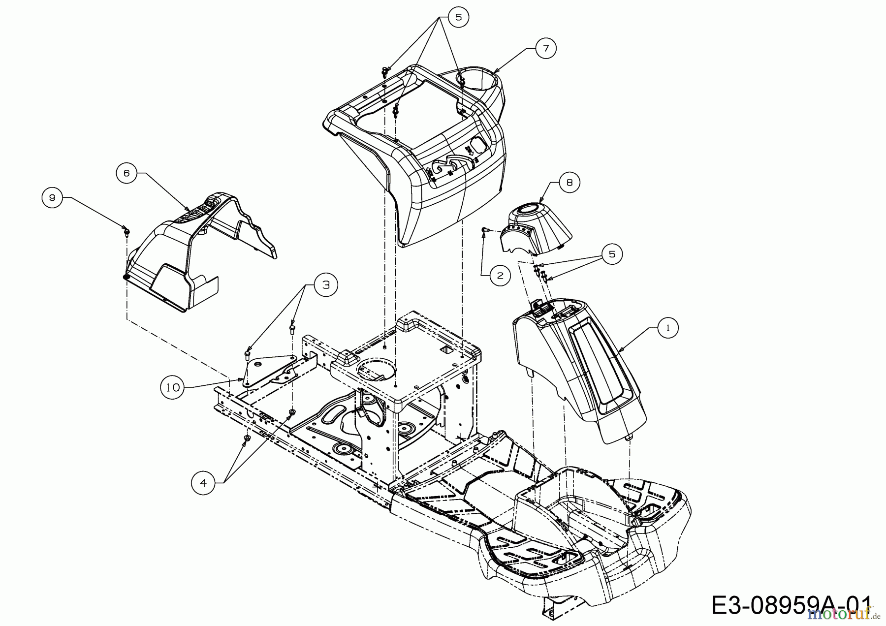
Hier finden Sie die Ersatzteilzeichnung für Cmi Rasentraktoren 60 SDE 13A326JC620 (2017) Verkleidungen. Wählen Sie das benötigte Ersatzteil aus der Ersatzteilliste Ihres Cmi Gerätes aus und bestellen Sie einfach online. Viele Cmi Ersatzteile halten wir ständig in unserem Lager für Sie bereit.


Qualitätsmanagement
Informieren Sie uns, wenn Sie einen Fehler gefunden haben.





