Gutbrod DLX 107 SALK 13AI606G690 (2006) Fahrantrieb Ersatzteile
Fahrantrieb 13AI606G690 (2006)

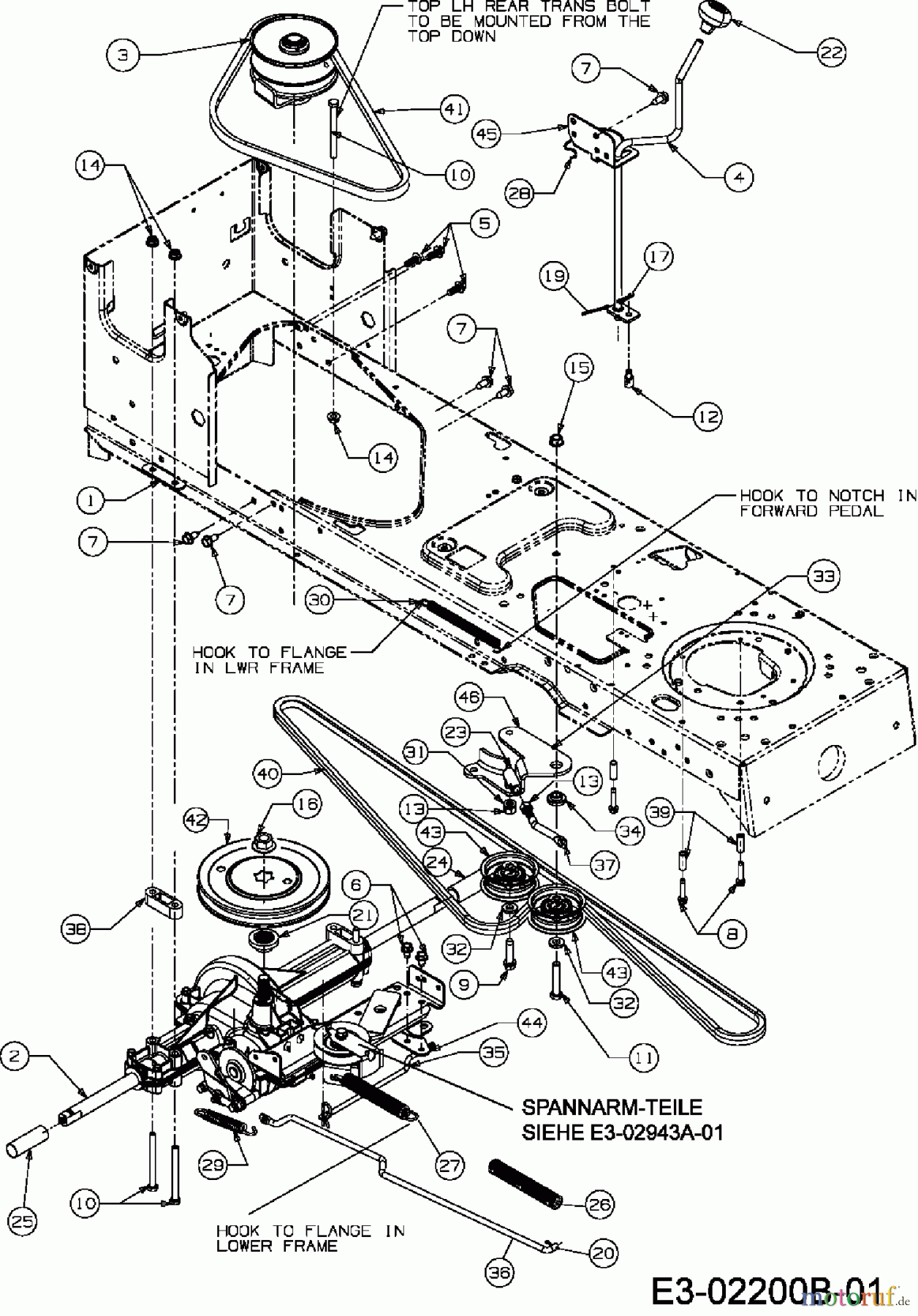
Hier finden Sie die Ersatzteilzeichnung für Gutbrod Rasentraktoren DLX 107 SALK 13AI606G690 (2006) Fahrantrieb. Wählen Sie das benötigte Ersatzteil aus der Ersatzteilliste Ihres Gutbrod Gerätes aus und bestellen Sie einfach online. Viele Gutbrod Ersatzteile halten wir ständig in unserem Lager für Sie bereit.

























