Cub Cadet 22" Wheeled String Trimmer 25A-262J756 (2015) Deflektor, Keilriemen, Rahmen, Schneidfaden Ersatzteile
Deflektor, Keilriemen, Rahmen, Schneidfaden 25A-262J756 (2015)

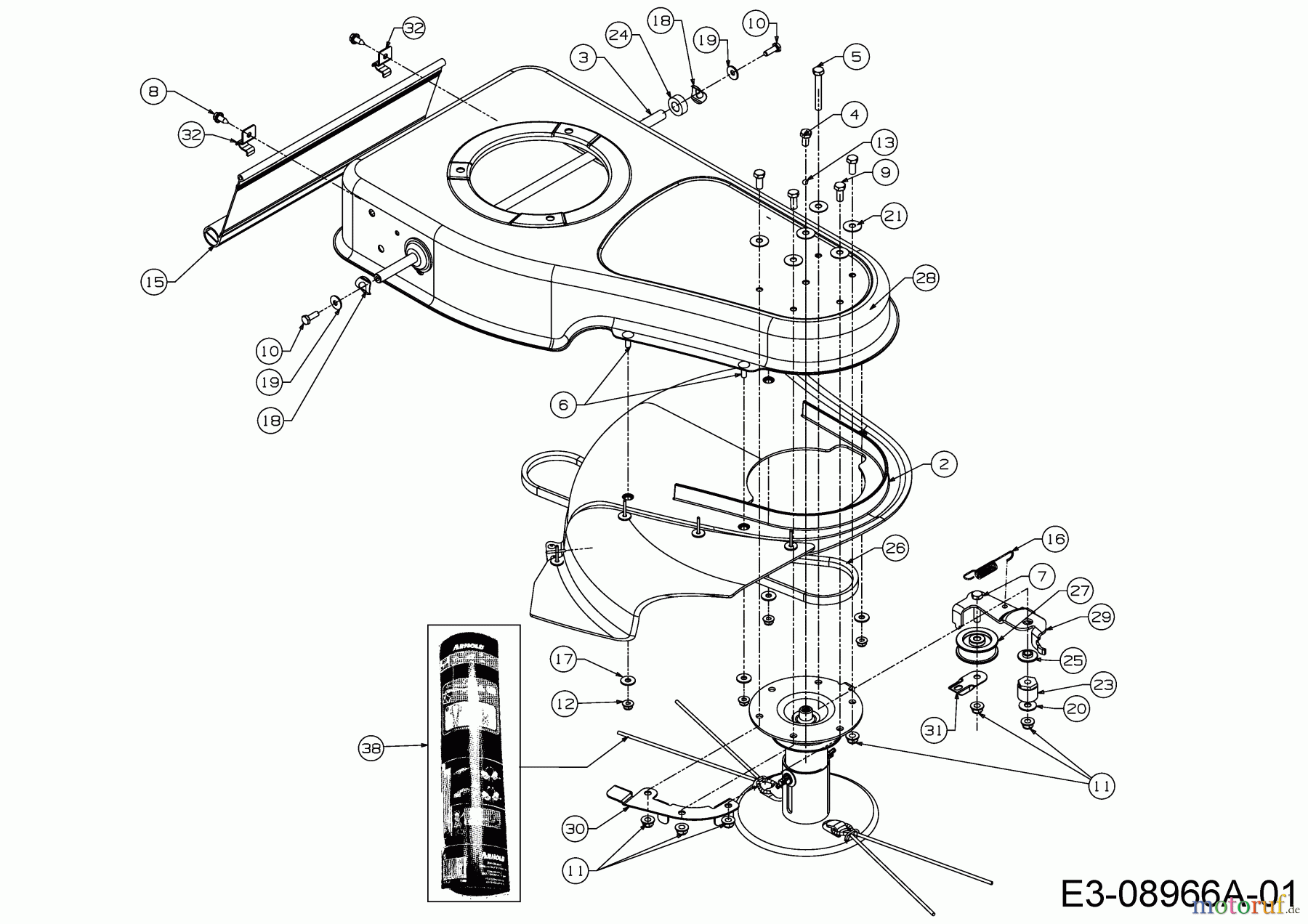
Hier finden Sie die Ersatzteilzeichnung für Cub Cadet Motorfadenmäher 22" Wheeled String Trimmer 25A-262J756 (2015) Deflektor, Keilriemen, Rahmen, Schneidfaden. Wählen Sie das benötigte Ersatzteil aus der Ersatzteilliste Ihres Cub Cadet Gerätes aus und bestellen Sie einfach online. Viele Cub Cadet Ersatzteile halten wir ständig in unserem Lager für Sie bereit.


Qualitätsmanagement
Informieren Sie uns, wenn Sie einen Fehler gefunden haben.











