Cub Cadet LM 1 DP 53 11A-A0KC603 (2017) Deflektor, Leitstück hinten, Mähwerksgehäuse, Mulchklappe Ersatzteile
Deflektor, Leitstück hinten, Mähwerksgehäuse, Mulchklappe 11A-A0KC603 (2017)

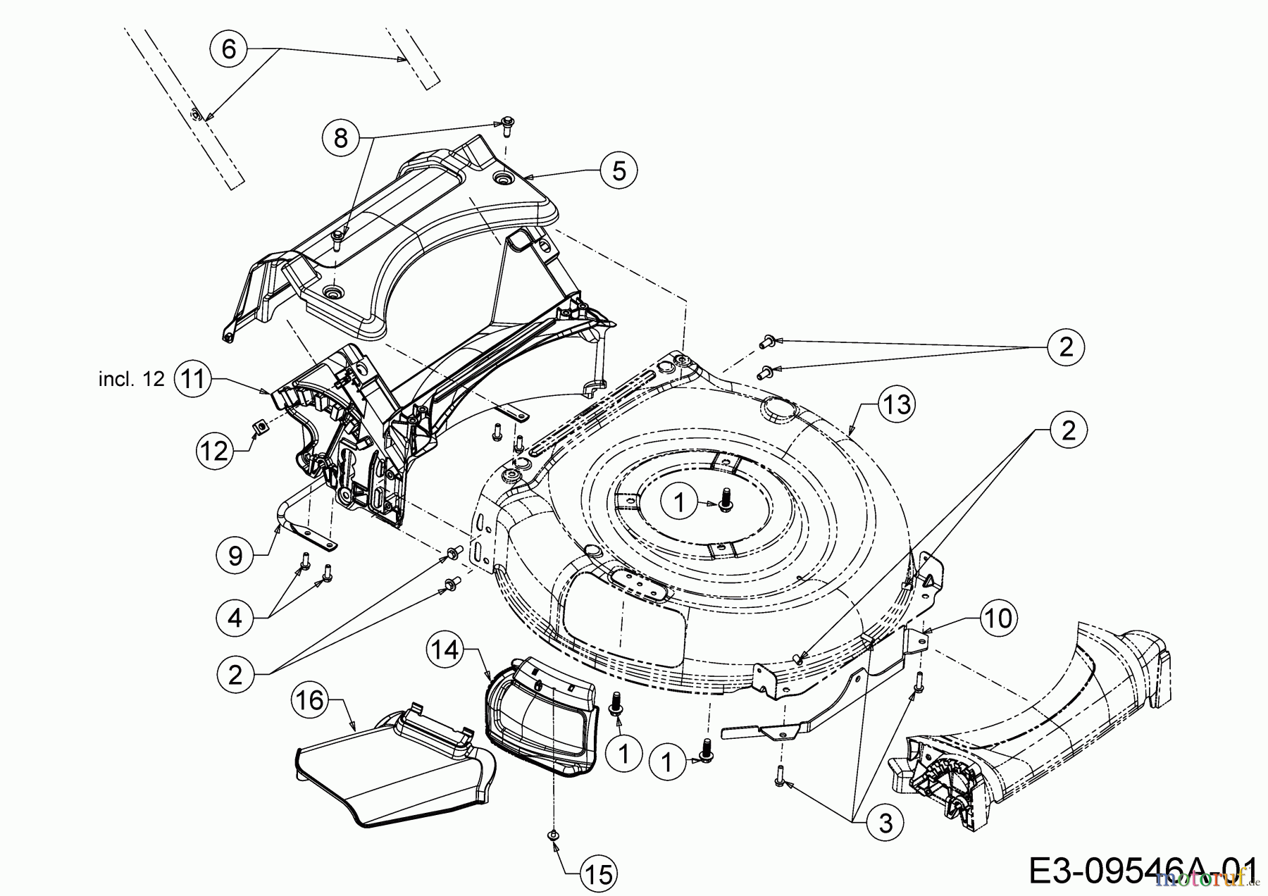
Hier finden Sie die Ersatzteilzeichnung für Cub Cadet Motormäher LM 1 DP 53 11A-A0KC603 (2017) Deflektor, Leitstück hinten, Mähwerksgehäuse, Mulchklappe. Wählen Sie das benötigte Ersatzteil aus der Ersatzteilliste Ihres Cub Cadet Gerätes aus und bestellen Sie einfach online. Viele Cub Cadet Ersatzteile halten wir ständig in unserem Lager für Sie bereit.


Qualitätsmanagement
Informieren Sie uns, wenn Sie einen Fehler gefunden haben.





