Cub Cadet LM 2 DP 46 11E-70JT603 (2017) Mulchklappe Ersatzteile
Mulchklappe 11E-70JT603 (2017)

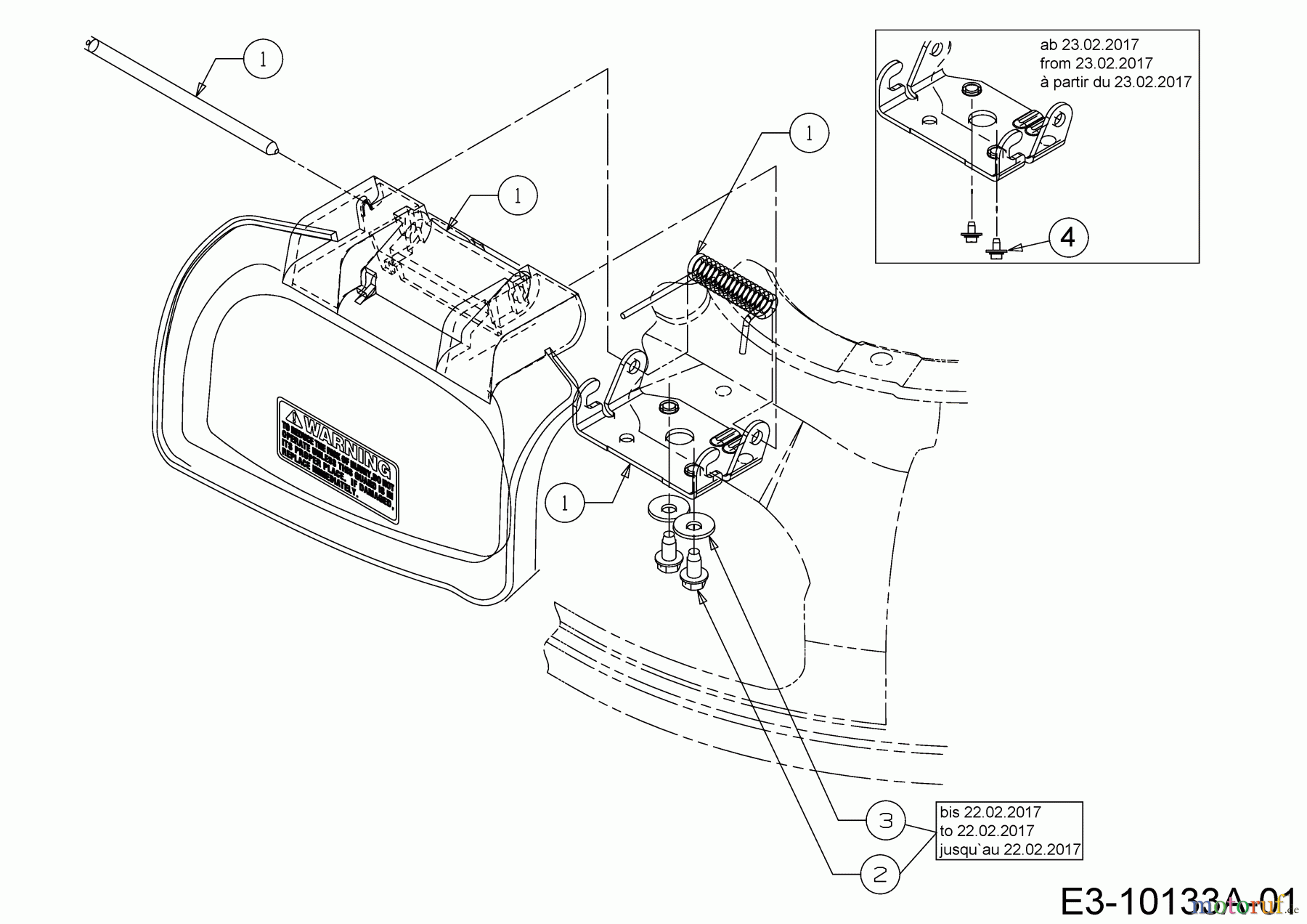
Hier finden Sie die Ersatzteilzeichnung für Cub Cadet Motormäher LM 2 DP 46 11E-70JT603 (2017) Mulchklappe. Wählen Sie das benötigte Ersatzteil aus der Ersatzteilliste Ihres Cub Cadet Gerätes aus und bestellen Sie einfach online. Viele Cub Cadet Ersatzteile halten wir ständig in unserem Lager für Sie bereit.
| BildNr | Artikel Nummer | Bezeichnung | |
| 1 | 682-7002 | MULCHABDECKUNG VOLLST. | |
| 2 | ![]() | 710-0599 | 6KT-SCHRAUBE:TT:1/4-20:0.500 |
| 3 | ![]() | 736-0270 | TELLERSCHEIBE:.265x.750x.060 |
| 4 | ![]() | 710-05073 | SCHRAUBE MIT FLANSCH |


Qualitätsmanagement
Informieren Sie uns, wenn Sie einen Fehler gefunden haben.




