Cub Cadet Z 5 Pro Series 60 53RIHJUV603 (2017) Anhängekupplung, Überrollbügel Ersatzteile
Anhängekupplung, Überrollbügel 53RIHJUV603 (2017)

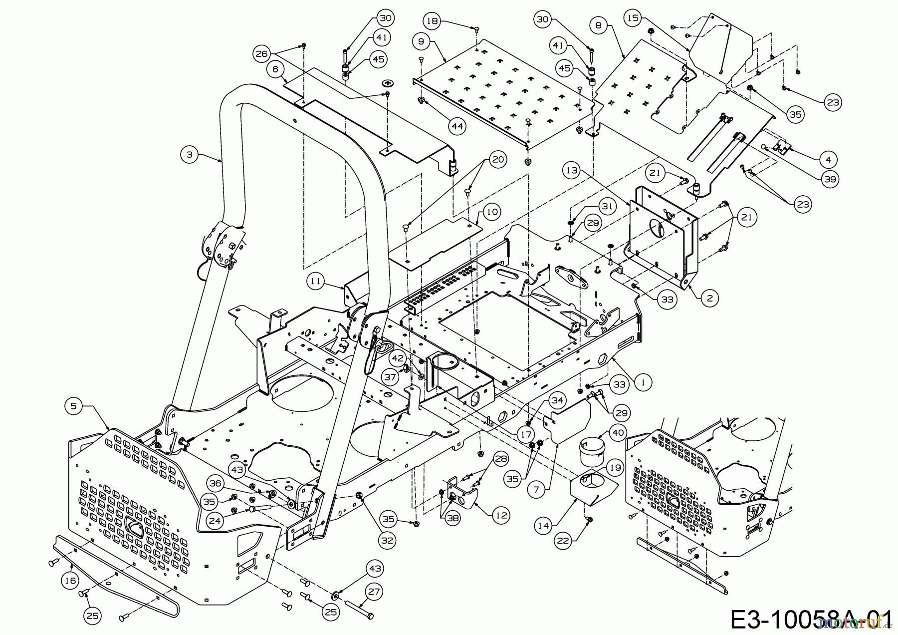
Hier finden Sie die Ersatzteilzeichnung für Cub Cadet Zero Turn Z 5 Pro Series 60 53RIHJUV603 (2017) Anhängekupplung, Überrollbügel. Wählen Sie das benötigte Ersatzteil aus der Ersatzteilliste Ihres Cub Cadet Gerätes aus und bestellen Sie einfach online. Viele Cub Cadet Ersatzteile halten wir ständig in unserem Lager für Sie bereit.


Qualitätsmanagement
Informieren Sie uns, wenn Sie einen Fehler gefunden haben.









