Cub Cadet ProZ 100-54 53AWEFJA330 (2016) Schaltplan Ersatzteile
Schaltplan 53AWEFJA330 (2016)

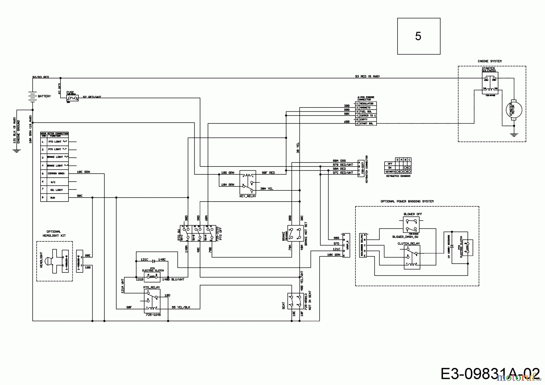
Hier finden Sie die Ersatzteilzeichnung für Cub Cadet Zero Turn ProZ 100-54 53AWEFJA330 (2016) Schaltplan. Wählen Sie das benötigte Ersatzteil aus der Ersatzteilliste Ihres Cub Cadet Gerätes aus und bestellen Sie einfach online. Viele Cub Cadet Ersatzteile halten wir ständig in unserem Lager für Sie bereit.



