Cub Cadet Tank LZ 60 Commercial 53BH2PTD330 (2015) Mähwerksgehäuse, Räder Mähwerk Ersatzteile
Mähwerksgehäuse, Räder Mähwerk 53BH2PTD330 (2015)

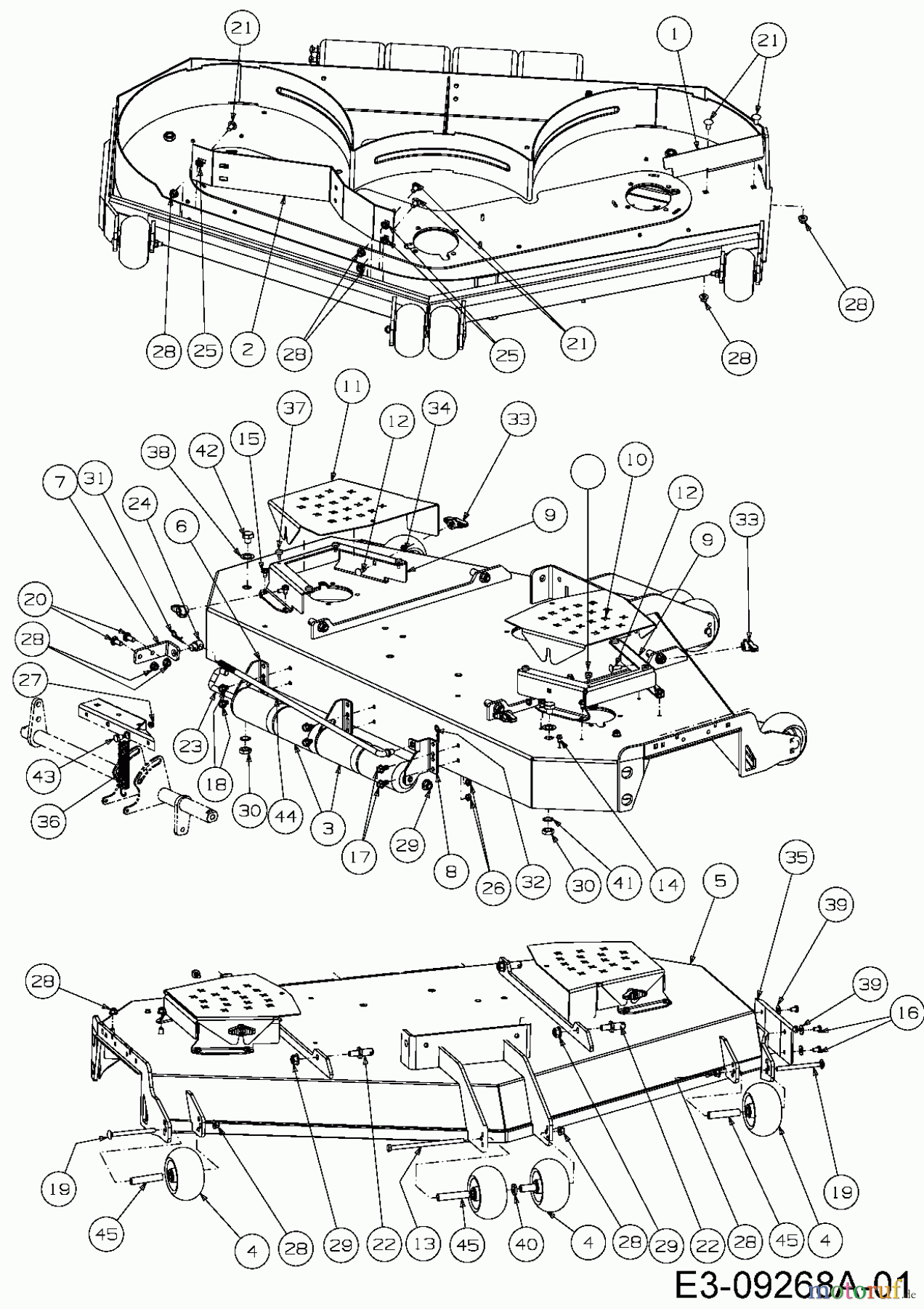
Hier finden Sie die Ersatzteilzeichnung für Cub Cadet Zero Turn Tank LZ 60 Commercial 53BH2PTD330 (2015) Mähwerksgehäuse, Räder Mähwerk. Wählen Sie das benötigte Ersatzteil aus der Ersatzteilliste Ihres Cub Cadet Gerätes aus und bestellen Sie einfach online. Viele Cub Cadet Ersatzteile halten wir ständig in unserem Lager für Sie bereit.


Qualitätsmanagement
Informieren Sie uns, wenn Sie einen Fehler gefunden haben.
















