Cub Cadet Tank SZ 60 Commercial 53AI2PUD330 (2016) Chokezug, Elektromagnetkupplung, Gaszug, Motorzubehör Ersatzteile
Chokezug, Elektromagnetkupplung, Gaszug, Motorzubehör 53AI2PUD330 (2016)

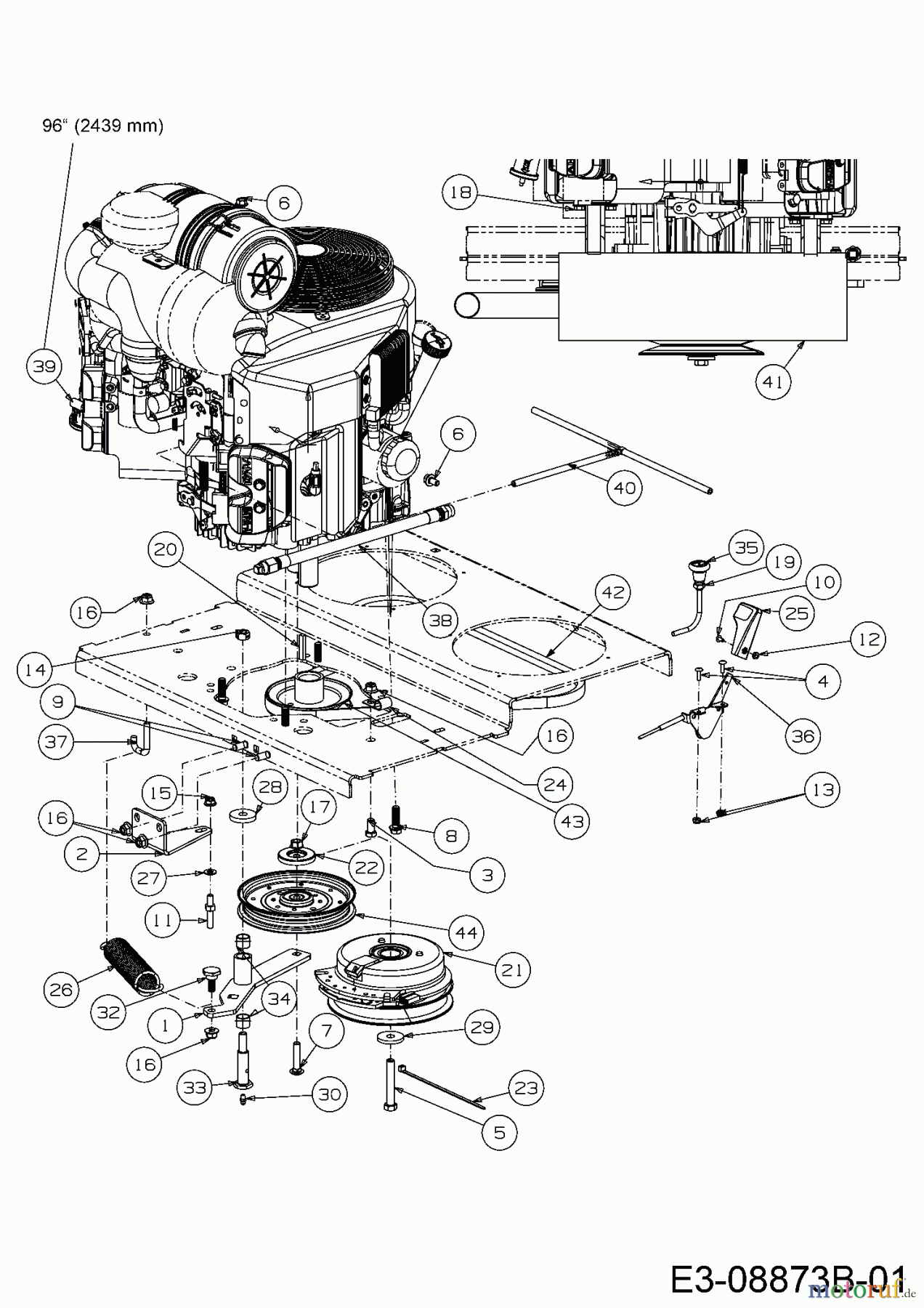
Hier finden Sie die Ersatzteilzeichnung für Cub Cadet Zero Turn Tank SZ 60 Commercial 53AI2PUD330 (2016) Chokezug, Elektromagnetkupplung, Gaszug, Motorzubehör. Wählen Sie das benötigte Ersatzteil aus der Ersatzteilliste Ihres Cub Cadet Gerätes aus und bestellen Sie einfach online. Viele Cub Cadet Ersatzteile halten wir ständig in unserem Lager für Sie bereit.


Qualitätsmanagement
Informieren Sie uns, wenn Sie einen Fehler gefunden haben.








