Cub Cadet 933 SWE 31AY95KV603 (2017) Armaturenbrett, Schalthebel Ersatzteile
Armaturenbrett, Schalthebel 31AY95KV603 (2017)

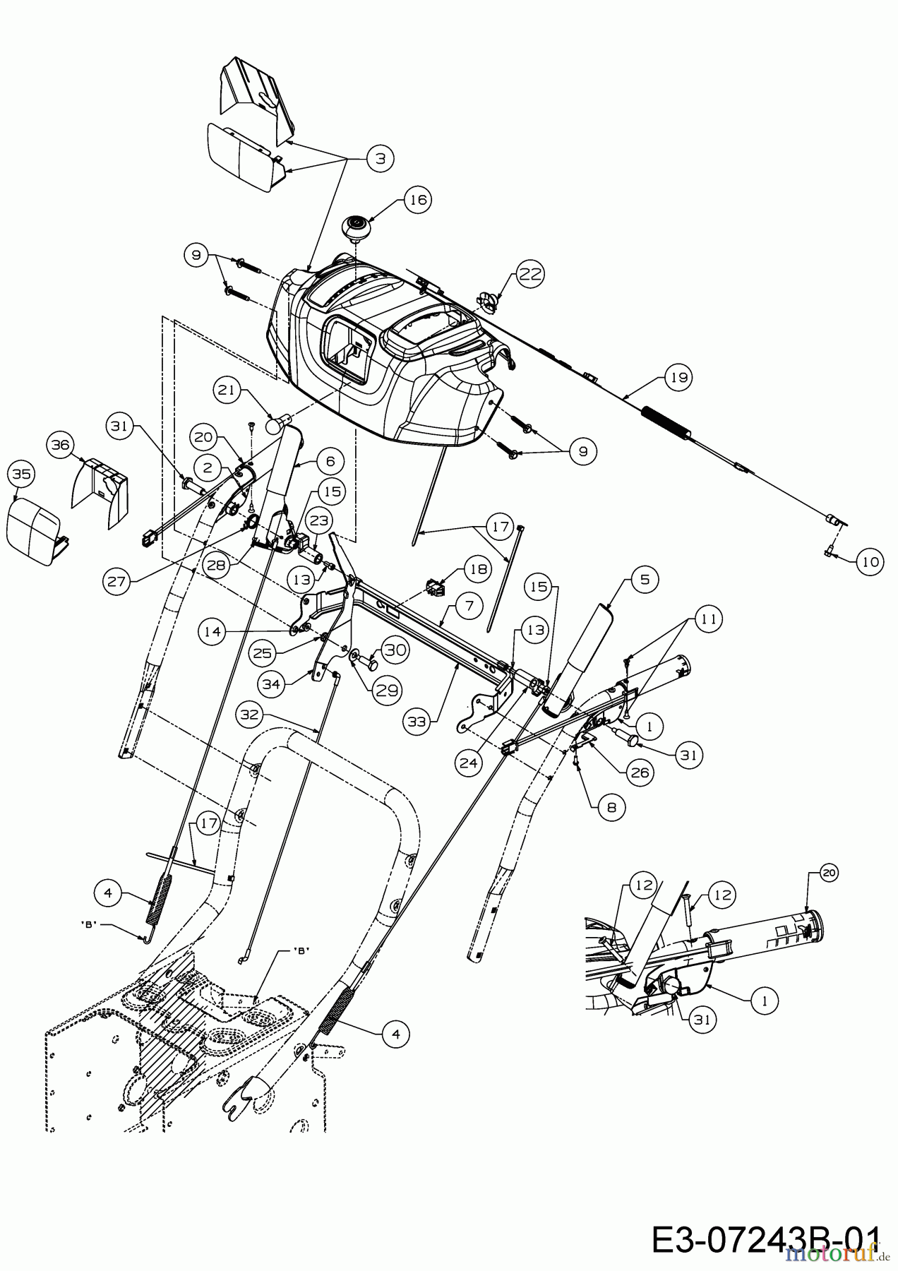
Hier finden Sie die Ersatzteilzeichnung für Cub Cadet Schneefräsen 933 SWE 31AY95KV603 (2017) Armaturenbrett, Schalthebel. Wählen Sie das benötigte Ersatzteil aus der Ersatzteilliste Ihres Cub Cadet Gerätes aus und bestellen Sie einfach online. Viele Cub Cadet Ersatzteile halten wir ständig in unserem Lager für Sie bereit.


Qualitätsmanagement
Informieren Sie uns, wenn Sie einen Fehler gefunden haben.







