Gutbrod DLX 96 SA 13AV606F690 (2008) Armaturenbrett ab 01.11.2007 Ersatzteile
Armaturenbrett ab 01.11.2007 13AV606F690 (2008)

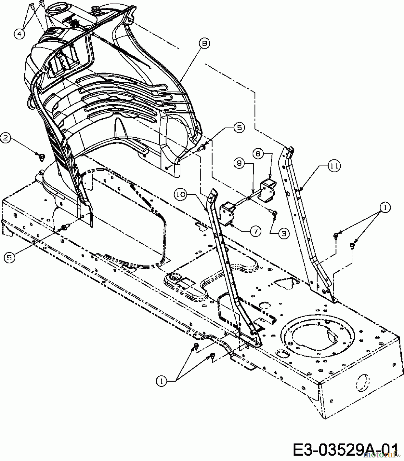
Hier finden Sie die Ersatzteilzeichnung für Gutbrod Rasentraktoren DLX 96 SA 13AV606F690 (2008) Armaturenbrett ab 01.11.2007. Wählen Sie das benötigte Ersatzteil aus der Ersatzteilliste Ihres Gutbrod Gerätes aus und bestellen Sie einfach online. Viele Gutbrod Ersatzteile halten wir ständig in unserem Lager für Sie bereit.


Qualitätsmanagement
Informieren Sie uns, wenn Sie einen Fehler gefunden haben.





