Cub Cadet XM 3 KR 84 ES 12AE764U603 (2017) Getriebe, Motorkeilriemenscheibe Ersatzteile
Getriebe, Motorkeilriemenscheibe 12AE764U603 (2017)

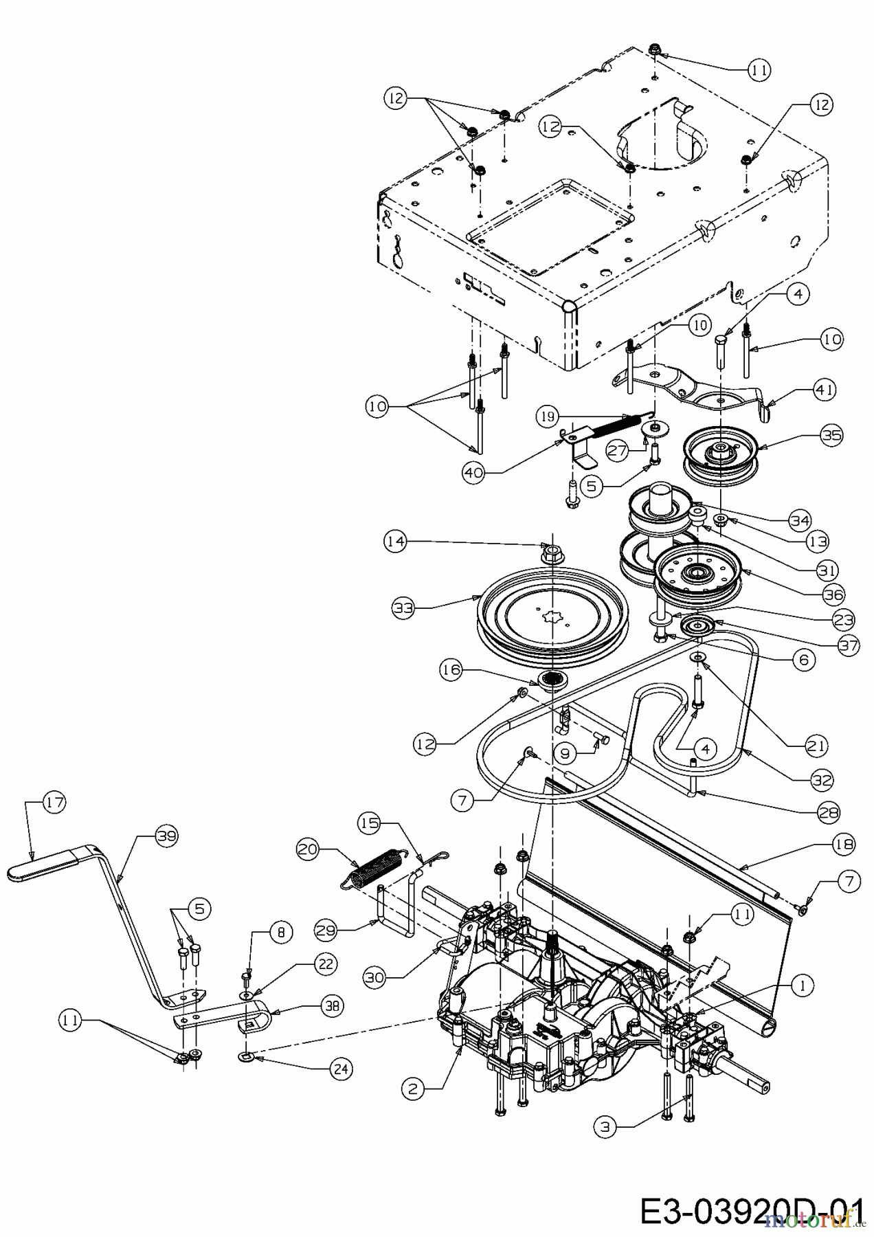
Hier finden Sie die Ersatzteilzeichnung für Cub Cadet Motormäher mit Antrieb XM 3 KR 84 ES 12AE764U603 (2017) Getriebe, Motorkeilriemenscheibe. Wählen Sie das benötigte Ersatzteil aus der Ersatzteilliste Ihres Cub Cadet Gerätes aus und bestellen Sie einfach online. Viele Cub Cadet Ersatzteile halten wir ständig in unserem Lager für Sie bereit.


Qualitätsmanagement
Informieren Sie uns, wenn Sie einen Fehler gefunden haben.


















