Cub Cadet CC 917 AF 13HN90AF603 (2016) Abdeckungen links und rechts Mähwerk F (38"/96cm) Ersatzteile
Abdeckungen links und rechts Mähwerk F (38"/96cm) 13HN90AF603 (2016)

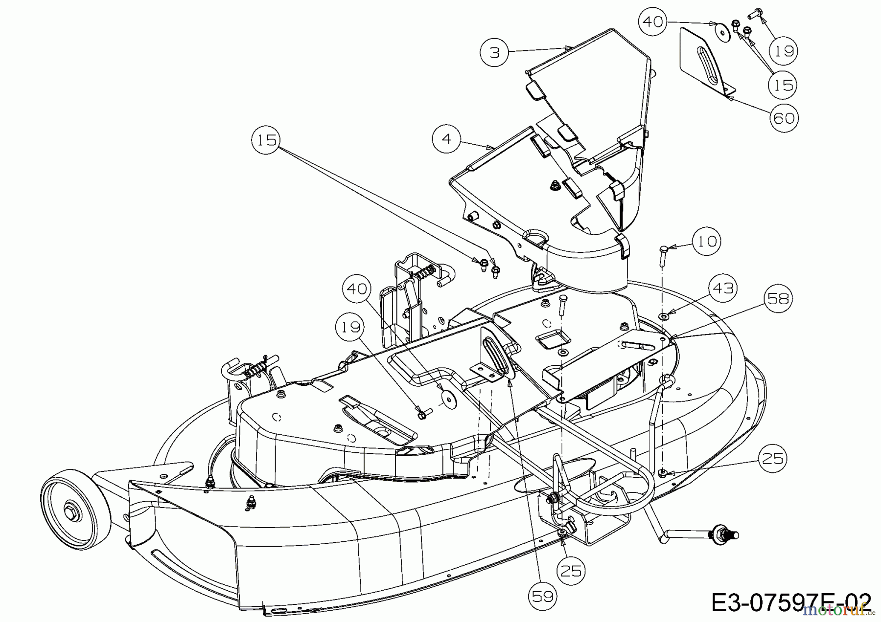
Hier finden Sie die Ersatzteilzeichnung für Cub Cadet Rasentraktoren CC 917 AF 13HN90AF603 (2016) Abdeckungen links und rechts Mähwerk F (38"/96cm). Wählen Sie das benötigte Ersatzteil aus der Ersatzteilliste Ihres Cub Cadet Gerätes aus und bestellen Sie einfach online. Viele Cub Cadet Ersatzteile halten wir ständig in unserem Lager für Sie bereit.









































