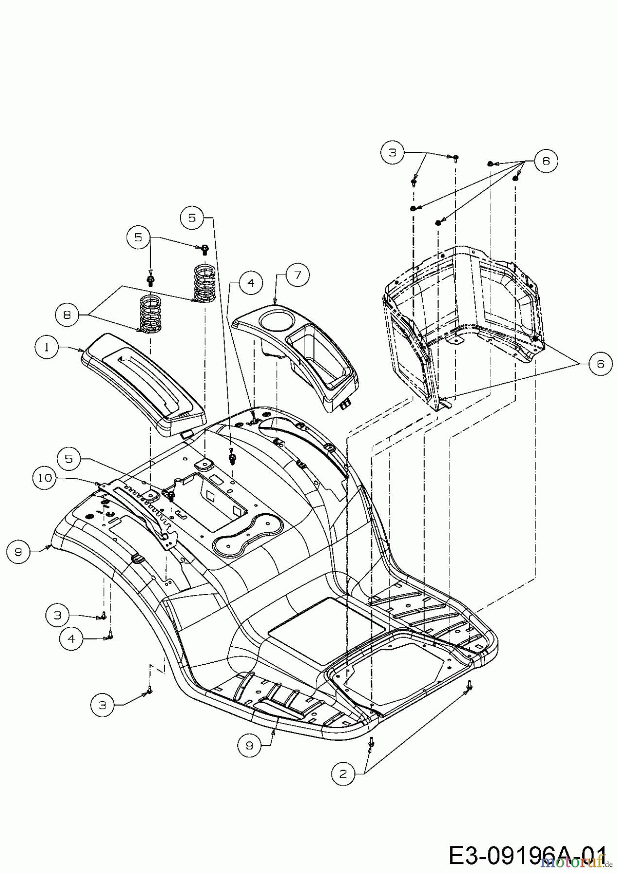
Cub Cadet LX 50" 13AQA1CQ330 (2015) Sitzwanne Ersatzteile
Sitzwanne 13AQA1CQ330 (2015)

Hier finden Sie die Ersatzteilzeichnung für Cub Cadet Rasentraktoren LX 50" 13AQA1CQ330 (2015) Sitzwanne. Wählen Sie das benötigte Ersatzteil aus der Ersatzteilliste Ihres Cub Cadet Gerätes aus und bestellen Sie einfach online. Viele Cub Cadet Ersatzteile halten wir ständig in unserem Lager für Sie bereit.


Qualitätsmanagement
Informieren Sie uns, wenn Sie einen Fehler gefunden haben.





