Cub Cadet CC 1023 HNK 13HQ91AN330 (2016) Aushebung Grasfangsack, Heckplatte Ersatzteile
Aushebung Grasfangsack, Heckplatte 13HQ91AN330 (2016)

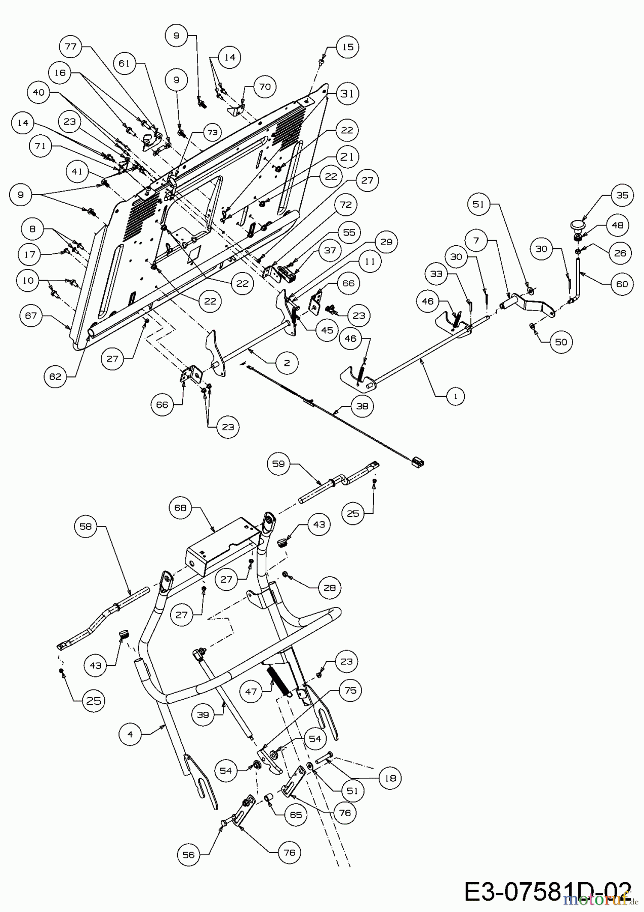
Hier finden Sie die Ersatzteilzeichnung für Cub Cadet Rasentraktoren CC 1023 HNK 13HQ91AN330 (2016) Aushebung Grasfangsack, Heckplatte. Wählen Sie das benötigte Ersatzteil aus der Ersatzteilliste Ihres Cub Cadet Gerätes aus und bestellen Sie einfach online. Viele Cub Cadet Ersatzteile halten wir ständig in unserem Lager für Sie bereit.


Qualitätsmanagement
Informieren Sie uns, wenn Sie einen Fehler gefunden haben.


























