Cub Cadet CC 1022 KHT 13HF93AT603 (2014) Motorzubehör ab 16.10.2014 Ersatzteile
Motorzubehör ab 16.10.2014 13HF93AT603 (2014)

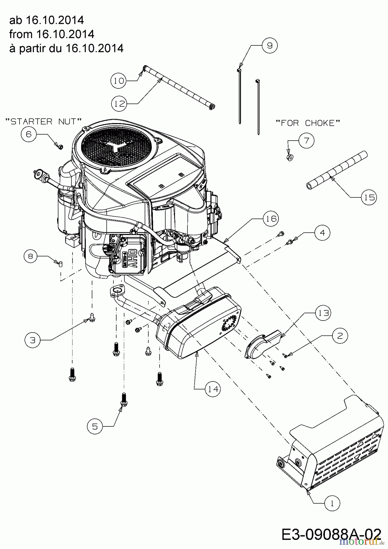
Hier finden Sie die Ersatzteilzeichnung für Cub Cadet Rasentraktoren CC 1022 KHT 13HF93AT603 (2014) Motorzubehör ab 16.10.2014. Wählen Sie das benötigte Ersatzteil aus der Ersatzteilliste Ihres Cub Cadet Gerätes aus und bestellen Sie einfach online. Viele Cub Cadet Ersatzteile halten wir ständig in unserem Lager für Sie bereit.


Qualitätsmanagement
Informieren Sie uns, wenn Sie einen Fehler gefunden haben.







