Cub Cadet XT 3 QS 127 14AIA5CQ603 (2017) Mähwerk Q (50"/127cm) Ersatzteile
Mähwerk Q (50"/127cm) 14AIA5CQ603 (2017)

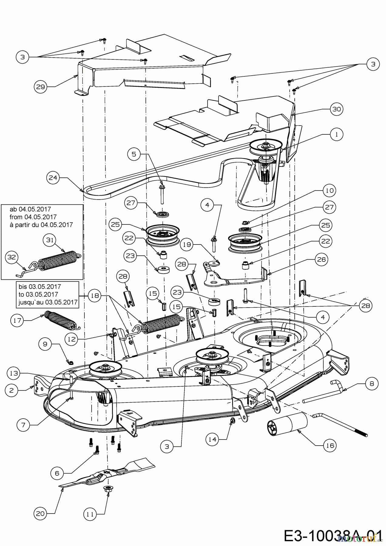
Hier finden Sie die Ersatzteilzeichnung für Cub Cadet Gartentraktoren XT 3 QS 127 14AIA5CQ603 (2017) Mähwerk Q (50"/127cm). Wählen Sie das benötigte Ersatzteil aus der Ersatzteilliste Ihres Cub Cadet Gerätes aus und bestellen Sie einfach online. Viele Cub Cadet Ersatzteile halten wir ständig in unserem Lager für Sie bereit.


Qualitätsmanagement
Informieren Sie uns, wenn Sie einen Fehler gefunden haben.









