Gutbrod ASB 90-10 04015.01 (1991) Mähwerksaushebung Ersatzteile
Mähwerksaushebung 04015.01 (1991)

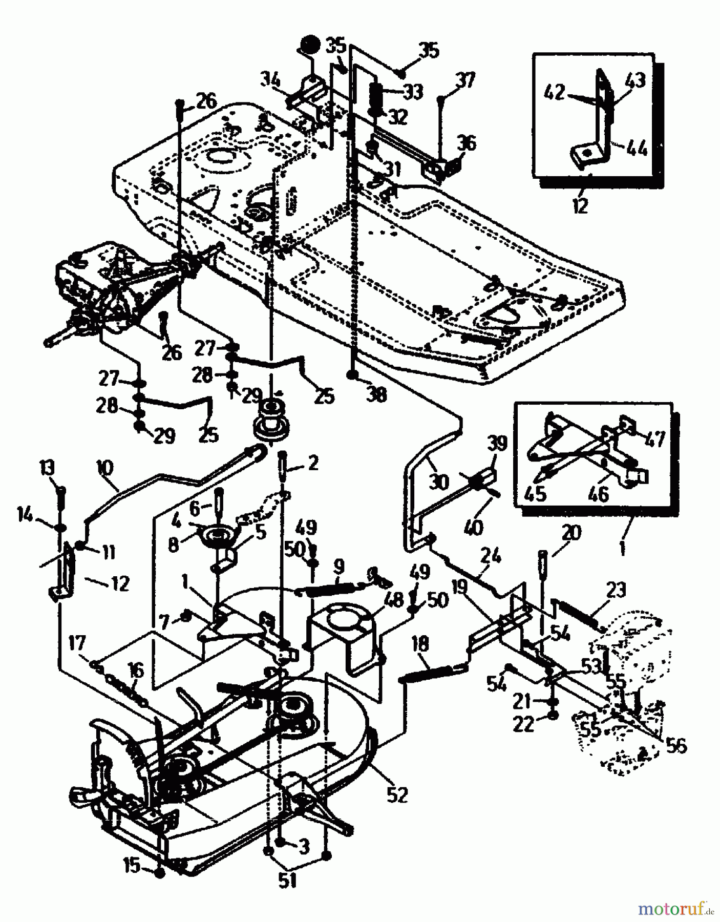
Hier finden Sie die Ersatzteilzeichnung für Gutbrod Rasentraktoren ASB 90-10 04015.01 (1991) Mähwerksaushebung. Wählen Sie das benötigte Ersatzteil aus der Ersatzteilliste Ihres Gutbrod Gerätes aus und bestellen Sie einfach online. Viele Gutbrod Ersatzteile halten wir ständig in unserem Lager für Sie bereit.


Qualitätsmanagement
Informieren Sie uns, wenn Sie einen Fehler gefunden haben.

